Отрицательные ионы

Опыты на мышах показали, что, если в герметичном объёме воздух "зарядить", предать заряд, как это происходит в природе при перемешивании воздушных потоков, то мыши не погибали от низкой концентрации кислорода. И наоборот, если в этом герметичном объёме достаточно кислорода, но с него снят заряд, то мыши задыхались. Т.е. не сколько опасна концентрация CO2 как опасно отсутствие статического заряда у молекул кислорода.

Для получения отрицательных ионов в воздухе в закрытых помещениях необходимо применять ионизаторы воздуха. Их эффект был доказан уже давно Чижевским, в честь которого и назван его ионизатор. 

Параметры ионизаторов:

Если плюс и минус рядом, то это азонатор, который хорошо будет очищать воздух помещения, но не пригоден для дыхания

Если плюс убран (заземлён), то это ионизатор, на иголках которого вырабатываются аэроионы О-2

Т.к. оригинальная люстра Чижевского плоха в тирожировании в больших количествах, то производители делают менее эффективные компактные, которые для небольших помещений всё равно эффективны.

Для усиления эффекта люстру можно разместить над фонтаном, что ещё и придаст прохладу.

Минус прибора в том, что пылинки заражаются и если их вдыхать, то "выжигаются" альвиолы в лёгких. Это как электропокраска, стены возле люстры чернеют от прилипающей пыли. Т.е. надо делать экраны, которые снимут у пыли заряд.

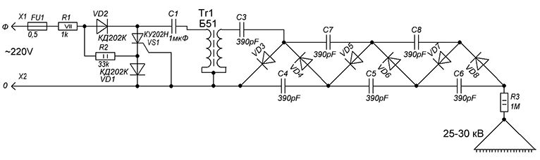
Пример схемы, для изготовления в домашних условиях:

Ионизатор

Схема проста и не содержит дефицитных деталей. Чтобы получить отрицательные аэроионы, нам нужно подавать на люстру минус высокого напряжения с умножителя напряжения, который изготовлен на шести высоковольтных диодах VD3-VD8, и шести конденсаторах C3-C8. Питание на умножитель подается с высоковольтной катушки Tr1. Одна полуволна сетевого напряжения заряжает конденсатор C1, а другая волна открывает тиристор VS1. Конденсатор C1 разряжается через тиристор VS1 на первичную обмотку трансформатора Tr1. В трансформаторе возникает высоковольтный импульс, напряжение которого при помощи множителя увеличивается до напряжения 30 киловольт.

Детали:

Правильно собранный преобразователь напряжения для люстры Чижевского, должен начать работать сразу. Перед первым запуском, высоковольтный провод бобины, следует расположить возле общего провода на небольшом расстоянии, приблизительно около 5 мм. Если не соблюсти это расстояние, а сделать его гораздо больше, допустим 3-4 см, то может произойти пробой высоковольтной катушки, внутри самой бобины. После этого подаем питание на всю схему, соблюдая правила безопасности. Если схема не запустится, следует подобрать тиристор VS1. Так как тиристоры даже с одной партии имеют большой разброс своих характеристик, то на подбор тиристора следует обратить особое внимание.

Высоковольтный умножитель напряжения разместить на некотором расстоянии от самого преобразователя. Особенно район диода VD8 и конденсатора C6, так как в этом месте будет самое высокое напряжение, и может произойти несанкционированный пробой.

Чем больше излучатель, тем лучше, но для квартиры можно сделать компактный, примеров в интернете полно. Главное, чтоб были заострённые иголочки. Чем их больше тем лучше. При работе люстры не должно выделяться никаких запахов, особенно озона, а также легких газов при коронировании, который может возникнуть при плохой изоляции высоковольтных конденсаторов или диодов. Если поднести руку со стороны иголок то чувствуется лёгкий холодок уже с расстояния порядка 20 см. Если выключить свет, то на кончике каждый иголочки видно светящуюся точку, через которую происходит разряд. Если с нижней стороны люстра поднести указатель низкого напряжения, то газоразрядная лампа, в этом указателе начинает светиться с 80 см.

Если поднести что-то железное, держа крепко в руке, то можно узнать напряжение пробоя. Если не менее 25 мм (на 1 см приходится ~10 киловольт), соответственно работа люстры будет эффективна.