АРХИВ ЗА МАРТ 2016
для поиска нажмите сочетание клавиш: Ctrl F
Содержание:
Александр Мишин: Вот документик, для тех кто не изучал... как статика выглядит https://yadi.sk/i/TikuU1rdjMNmL
Александр Мишин: https://yadi.sk/i/WKZNRivOpruhs - ссылка на переработанный доклад по медицине
Валерий Серовский: Два вечера пытаюсь победить аритмию у жены. Тор, который помог мне от аритмии - не помогает ей. Точнее вот вчера - аритмии не было, положил тор в районе сердца, она чувствовала тепло и вибрации и вроде все было нормально. Потом ночью аритмия появилась и днем на работе до обеда - то медленный пульс то частый. Тор 290 кГц. (Катушки нет, отдал той женщине с опухолью на груди). Может только плоской надо пользоваться? Хотя и от плоской у нее 2 недели назад во время сеанса аритмия появлялась. Может генератор слабоват для нее Г4-102 (6 вольт на холостом)?
Александр Мишин: сделай плоскую из лакированного провода, а большая для твоего случая не должна превышать 20-21см
Александр Мишин: 40-60мин на грудь, за 3-5 дней должно поправится. Тор возможно не задевает ее проблему
Валерий Серовский: У друга забилась протока между печенью и желчным пузырем. Кожа стала желтой. Вводили радиоактивные препараты чтоб увидеть опухоль. Предполагают что вроде нет ее. Врачи вывели трубку наружу для выхода желчи. Ждут чтобы кожа опять стала белой. И только при полостной операции в Москве скажут от чего забилась протока. Хочу помочь ему, с чего начать ?
Александр Мишин: как всегда начинай с плоской. Пусть она поищет в нем проблемы
Валерий Серовский: А трубка не помеха?
Александр Мишин: не
luka5242: в Вашей практике были случаи вылечивания онкозаболеваний и туберкулёза лёгких?
Александр Мишин: онкология за 2 недели легко разворачивается в сторону угасания, по туберкулезу пока нет данных
Vlantag 61: Не могли бы Вы дать методику лечения рака легких и шейки матки. А то приходится все делать наобум. Я пытаюсь лечить уже вторую неделю. Ложу ДМА 286кГ на грудь 2 раза в день по 40 минут. U катушки - 2,4В. Ток - 0,46А. По ощущениям положительная динамика ощутимая. Вопрос, а правильно ли я делаю?
Александр Мишин: там особо не ошибешься, диски сами ищут проблемы :) при раке применяй катуху из лакированного провода по часу утром и вечером на проблемные места
Владимир Гущин: Плоская катушка намотана на ДВП по часовой стрелке 287 кгц диаметр 28 см как прикладывать? Если основанием ДВП к телу - то получается к телу по часовой (но будет ли эффект), а если проводом - то получается к телу против часовой (катушка переворачивается и ДВП сверху)?
Александр Мишин: нет разницы какой стороной использовать, у вас переменка по питанию.
Valeri Fast: можно-ли облучить воду, например в стакане, тором или диском?
Александр Мишин: конечно. На растениях проверено... только не облучить )) а обработать)
Valeri Fast: А ее дейсвие на человека ?
Александр Мишин: нормальная, хорошая водичка
Будораж: "Оценка" видящим (Радомир) воды обработанной тором,если говорить коротко, то получится так: плотная, тяжёлая, энергичная, полезная...
erop10001: можно ли лечить аллергию у ребёнка, ему 12 лет, и сколько по времени начинать плоской катушкой.
Александр Мишин: как показывает практика, аллергия проявляется как следствие, убрать ее значит найти в теле причину... плоские катушки с периодическим применением должны справиться
bmat: последние три диска по таблице полностью заменяют первые два (диск и тор)? Таблица:
| аббревиатура | пояснение | наружный диаметр, мм | внутренний диаметр, мм | наружный диаметр провода, мм |
| ТМА | Тор Мишина Александра | 60 | 25 | 0,9 |
| ДМА | Диск Мишина Александра | 220 | 25 | 0,9 |
| СДМА | Средний диск... | 125 | 25 | 0,5 |
| МДМА | Малый диск... | 70 | 25 | 0,2 |
| МиДМА | Мини диск... | 50 | 25 | 0,1 |
Александр Мишин: это пока только мое предположение, что плоская маленькая катушка сможет качественно заменить торы.
Александр Семёнов: Александр подскажите а будет эта система полезна при болезни Паркинсона и места воздействия?
Александр Мишин: будет эта система полезна при болезни Паркинсона, лично наблюдал даже более серьезные неврологии. 3 сеанса по часу хватило достаточно сильно снизить их проявление.
виталий топалов: читал выше по чату о том, что настройка с помощью светодиодов встречно включенных и подключенных одним концом к свободному выводу плоской катушки, другой в руке у меня получалась 320 кГц, теперь намотал катушку 30 витков 10 см в диаметре проводом 0,5 примерно и так же подключил к ней 2 светодиода и настраивал на минимальном напряжении с генератора на максимальное свечение светодиода, действительно теперь частота возросла и стала 340 кГц, не даром весь чат перечитал!!!
sergeyomel: "на границе температур, можно подсмотреть структуру эфира, который проникая сквозь стекло оставляет отпечаток". / Гусев И.В. Может подключенный тор или диск приложить к окну (у кого ещё морозы) и посмотреть структуру, как замёрзнет, какой узор будет??? Александр, как думаете, получиться так визуализировать потоки для лучшего понимания?
Александр Мишин: sergeyomel: думаю очень интересный эксперимент ))
Владимир Степанов: Александр, как думаете, если катушка "высасывает" из батареи энергию, то возможен ли обратный эффект-"зарядки"?
Александр Мишин: заряд - это разряжение, т.е. переменной статикой точно не зарядим :)
sat-agent: У друга мать с полным набором болячек. Это и лейкемия и лимфоузлы и щитовидка и т.д. ну и соответственно каждый день по горсти лекарств. Подскажи во время лечения статикой от лекарств лучше повоздержаться или одно другому не мешает.
Александр Мишин: по возможности плавно снижайте прием гадости, можно принимать только при конкретной острой проблеме.
sat-agent: И ещё подскажи, у меня самодельный генератор который может менять мощность на выходе, как лучше побольше мощность и покороче сеанс или поменьше мощность и соответственно подольше сеанс?
Александр Мишин: набор параметров мощности подробно описано в последнем ПДФ файле, а большую мощность в любом случае не стоит, очень много можно выцепить обострений.
Константин М: у Тетки варикоз почернело два пальца с мизинцем на ноге, можно как то помочь дтма, врачи хотят ампутировать выше колена?
Александр Мишин: от поясницы и живота начинай, можно по часу 2 раза попробовать, если организм не сильно остро будет реагировать... диск можно под ступню еще... в общем дерзайте, дабы ампутации не допустить
sunofbeach91: Александр, может ли тор помочь в лечении аутоиммунного заболевания?
Александр Мишин: да, нет разницы какое из заболеваний проявляет гиперактивность
Сергей Половинка: Меня тоже интересует черный цвет ног (хирурги руками разводят - только ампутация)... Хотя тесть с этим живёт уже много лет...Перво причина солнечный ожог ... Теперь любая ранка кровь хлещет не остановить... и еще вопрос, вы не рекомендовали применять эти катушки если были хирургические операции, мол там происходят разжижения...
Александр Мишин: тут все так получилось как и сказал, статика очень резво реагирует со швом, но как показали экспериментальные воздействия, мы препятствуем образованию рубцовой ткани, что ускоряет заживление в 2-3 раза :)
Сергей Половинка: А можно ли все таки катушкой устранить рубец (рубцовую ткань, полученную после хирургической операции) ??
Александр Мишин: да, наблюдается выравнивание тканей даже старых швов
Абу Мохаммад Аль Мактум Мактум: Александр, у меня удалены 4 позвоночных диска и стоит титановый экзоскелет, можно ли снять боли в месте операции. Прошло 4 года
Александр Мишин: боль это трение... в твоем случае есть дополнительные обостряющие факторы... но должно помочь, если не совсем снимет, то облегчит
Абу Мохаммад Аль Мактум Мактум: А онемение ноги возможно исправить? Операция прошла неудачно, слишком всё было запущено, осколок получил в афгане, а удалили в 2011.
Александр Мишин: да, будет покалывать в месте операции, на время возможно припухнет и пойдет на поправку :) Многое зависит от кривизны пришивания докторами тканей
spivakova.ludmila: Александр , скажите пожалуйста, при нагрузке ДМА 300 Кгц, измеряем на сопротивлении 1 Ом на осциллографе - 100 мВ, при имплозии напряжение упало с 12В до 2В, этих параметров достаточно для лечения онкологии (сейчас ремиссия)
Александр Мишин: судя по просадке это плоская из лакированного провода?
spivakova.ludmila: да
Александр Мишин: ей поочередно можно пользоваться с тором. Мощности у тебя ген конечно чуток маловато выдает, можешь на меандр переключить, там в начале 2-3 дня надо грибницу "поджарить", а потом уже мягко выводить и будет организму хорошо и приятно )
spivakova.ludmila: короче нужно увеличить мощность генератора
Александр Мишин: этот тоже справиться, просто чуть больше времени займет
Вадим СЭ Алтай: Возюкаясь с твоими катушками только сейчас заметил что прошло многолетнее беспокоящее раздражение от трещин на коже локтя. Провёл ладонью - а там гладко как у младенца!
Александр Мишин: Кстати одного знакомого в США так и называют, он говорит: "люди вообще не понимают что происходит и предполагают, что я колдунствую"
free energy: Видящий оценил фото работающего диска из провода в лаке 0,5мм. Фантом остается ещё долго на месте работы катушки. Видящий сказал что поле похоже на хрональное
Влад: 1. Часто ходила ночью по-маленькому. Теперь стала в два раза меньше. 2. Ночью немели руки. Теперь - нет. 3. Когда ночью вставала, в ногах был дискомфорт. Теперь его нет. 4. Дела по дому стала быстро выполнять, появилась лёгкость. 5. Периодически немного болела правая почка. Теперь болей нет. 6. После операции в 2008г. по женской части (мама не уточнила) иногда болел живот и не могла из-за этого поднимать тяжести. Теперь не болит и поднимает тяжести без проблем.
7. На ноге был жировик и иногда беспокоил. Теперь его нет.
Александр Мишин: две недели воздействия плоской катушки по пол часа каждый день...
Юрий: хочу поделиться своим опытом, который случился после просмотра видео по вихревым технологиям (где вы упомянули, что технологические моменты лечения - это этап на пути развития) и прочтения работы "Вихревая динамика (статика)" с великолепными рисунками. Суть моего опыта в следующем: у меня долгое время, после смерти жены, была тупая боль в области Анахаты, ощущение, будто кол воткнули и он туда врос. Так вот, на второй день после прочтения Вихревой динамики, я сел помедитировать, вошёл в состояние и наблюдал за происходящим. В какой-то момент я вдруг осознал, что происходит что-то необычное, я увидел, почувствовал, что на меня светит луч света и то ли вытягивает из меня боль, то ли наполняет силой целебной, а может быть и то и другое. Когда я прошёл мысленно по лучу, то увидел именно ТОР!!! Прозрачный, голубой. Я осознал, что Он живой и Разумный. Он мне помог. Интенсивность боли уменьшилась сразу и состояние продолжает улучшаться. Так что ваши технологии работают и на более высоком уровне!
Александр Мишин: Могу лишь добавить: когда начинаешь понимать природу, то появляются мелкие способности все сильнее с ней взаимодействовать.
Aliaksandr Rabau: Подскажите катушка лаковым проводом 0,5 для заболеваний крови эффективна ли и как используется?
Александр Мишин: Пока не встретил заболеваний, которые совсем не поддались, хоть косвенно но задеваем.
Aliaksandr Rabau: а как применять - просто локализации точной нету... на грудь?
Александр Мишин: да, не принципиально
Вадим СЭ Алтай: Раньше я почему злой был? У меня бублика не было! :-D
kirminkata: где доказательства того что лечит вирусы и рак? а именно человек с подтверждённым диагнозом с документами и выписками и прочим. и само собой при этом этот человек должен лечиться только катушкой и ничем другим. У человека гепатит уже жёлтый весь цирроз по полной. пробовал разными катушками разными генераторами его лечить результата нет. Мать 15 лет работала в онкологическом диспансере заведующей аптекой. 2 раза видела как человек чудом вылечился от рака... У меня тут в Томске медиков вагон давайте мы за проведём испытания ради бога. выдадим нужные документы с подписями печатями с наименованием мед учреждения.
Александр Мишин: никому ничего не доказывал... и не планирую делать подобного...
Будораж: Для скрепления витков можно применять секундные клеи, бакелитовый лак, а то ПВА эластичный, а подложки делать не хочется.
Александр Мишин: я наоборот стал делать максимально прочные подложки, чтобы деформации не было )
Vlantag 61: подскажите можно ли получить восстановительный эффект при надрыве крестообразных связок коленного сустава?
Александр Мишин: получен эффект ускоренной регенерации даже при частичном отсутствии тканей. После механических повреждений возможны ситуации когда мы мало чем можем помочь. Все зависит от конкретного случая
Vlantag 61: Понятно, попытаюсь помочь парню. Может и получится. Чем лучше: тором или лаковым диском и с какой мощностью?
Александр Мишин: там от чувствительности зависит, если за 20-30 мин плоскую не чувствует, тогда и тором можно
Александр Мишин: вопрос мощности не рассматриваем, т.к. заранее определились что не превышает 2-3 ватта
Александр: Можно ли так настраивать без осциллографа?
Александр Мишин: способы настройки подробно описал и объяснял в конфенции и именно без осциллографа)
Александр: Когда был осцил при настройке диодами было расхождение. Может что -то не так делал? но у меня были расхождения.
Александр Мишин: -10кГц может отличаться, у щупов тоже емкость есть, самый точный способ на резисторе ток замерять.
Вадим СЭ Алтай: есть какой-то результат от экспериментатора по «жареным мышам»? Вот из этого видео - https://youtu.be/HKNPfYwfDC0
Александр Мишин: Ну это вопрос к владельцу "имплозионных" мышей :)
Валерий Серовский: Рассеянный склероз у больного. Начать с плоской и ближе к голове?
Димка кубик: Есть ли наработки по борьбе с мигренью?
Александр Мишин: для начала недельку просто по телу покатайте на плоских
Александр Мишин: множество проблем с головными болями связано с неправильным кровоснабжением
pirryanin1964: Жена 4-ре дня на плоской, по 30 мин. 3 раза в день, и уже 3 недели не трогает аптечку с болеутоляющими (мигреневые боли затылка в течении 3-х лет).
free energy: Мне от головной боли не помогает плоская катушка
free energy: Вторую неделю пользую, часто мучают головные боли
Александр Мишин: Если много гармоник в синусе, может спровоцировать головные боли, тут внимательнее...
free energy: Чистый синус, но дело не в этом, болит из за погоды
free energy: ДМА провод в лаке 0,5мм, генератор китайский бескорпусной усилитель на AD815. На входе ДМА чистейший синус 10 вольт пик-ту пик. Мощьность 2 ватта
Александр Мишин: попробуй почки по 10 мин в день погонять тором
free energy: тор ещё не делал
andrey_semeshin: Александр, появилась ли у Вас информация по печатным катушкам?
Александр Мишин: изготовили, тестируется
bmat: Александр будет ли доступна схема электрическая принципиальная тестируемого вами генератора на продажу?
Александр Мишин: возможно... не спрашивал у изготовителя
Боб Бобов бобов: не могли бы вы дать ссылку на формулу расчета для плоской катушки
Александр Мишин: формулы тут не работают ) все от качества изготовления зависит
Боб Бобов бобов: как считали печатную катушку?
Александр Мишин: сделали и проверили частоту ))
andrey_semeshin: Будет ли эффект, такой же как от ТДМА, от катушки изготовленной на двухстороннем текстолите (или другом материале) толщиной 1 мм, по следующей технологии: на верхней стороне спираль проводника (например 0.5мм), на нижней повторяется спираль параллельно верхней. Похож на плоскую из эмалированного провода, но проводники не в одной плоскости. Может каламбур, но интересна Ваша версия.
Александр Мишин: это будет замена обычного двойного провода, если скрутить не в плоскости... там уже есть индуктивность обкладок, которые часть мощности переведут в электромагнетизм
andrey_semeshin: Но в ТДМА тоже индуктивность есть и она очень хорошо себя проявляет на обычных индикаторных катушках. Но я не про индуктивность. Геометрия статического поля станет более округлой?
Александр Мишин: при таком исполнении мы как-бы зажимаем основную статику между обкладками
free energy: Мебиус может попробовать
Александр Мишин: вы бы в сути разобрались сначала )) что и для чего применять... сейчас вы все пытаетесь примешивать ЭМ составляющую к статике. вы же сами можете адекватно оценить, при какой конструкции выделится только статика...
free energy: Экстрасенсы говорят что похоже на хрональное поле
Александр Мишин: прежде чем это писать, дай определение...
andrey_semeshin: Направте нас, как возможно избавиться от ЭМ.
Александр Мишин: отсутствие индуктивности в обкладках емкости
andrey_semeshin: А не получиться так, что избавляясь от ЭМ мы потеряем лечебные свойства ТДМА? Как бы работает все это вместе.
Александр Мишин: одно без другого не существует, но можно менять приоритет
andrey_semeshin: Вектора?
Александр Мишин: вектор это проекция по сути... он нас не интересует
free energy: Александр а почему может нагреваться середина плоской катушки из лакированного провода. Проводом в обычной изоляции такого нет
Вадим СЭ Алтай: Алексадр, тут спрашивали, как мы поле статики закручиваем, по спирали или против, и какое это имеет значение для здоровья и пр.
Александр Мишин: спин переменный образуется (нет разницы, он уже раньше отвечал)
Вадим СЭ Алтай: т.е. я правильно вас понял, что поле-то всегда на месте, но его дрожь есть суть наш леч. эффект в нём как рябь на воде?
Александр Мишин: не та дрожь про которую все думают )))
andrey_semeshin: Пульсация?
Александр Мишин: я конечно устал одно и тоже повторять, но кроме механических колебаний еще и колебания плотности есть )))) вот пусть ваш мозг нормально сопоставит "график" на картинке с плотностью... только она там не верна )))
Александр Мишин: максимум амплитуды в центре
Боб Бобов бобов: в центрес минимумом плотности?
Александр Мишин: в самом центре точка нуля
Боб Бобов бобов: т.е -нет плотности?
Александр Мишин: зона "спокойствия" ))
Александр Мишин: зоны пониженной плотности отчетливо видны
Боб Бобов бобов: зеленые?
Александр Мишин: https://yadi.sk/i/TikuU1rdjMNmL
Александр Мишин: ознакомься с теоретической базой...
Александр Мишин: вот полость, но центральную точку она не пересекает
Боб Бобов бобов: как правильно должно выглядеть эл. статическое поле плоской спиральной катушки ДМА?
Александр Мишин: картинка выше, 2 статики одна на другой
Боб Бобов бобов: поля ДМА и ТМА идентичны?
Александр Мишин: нет, у тора оно более острое, но "рваное"
Вячеслав: А какой вид устройства необходимо выбрать, с какими параметрами воздействовать на камень в желчном пузыре? Диск прикладывать к проблемному месту?
Evgeny: Рекомендации примерно одинаковые во многих случаях: 2 дня по 30 минут - плоской на грудь\\\\\\\\\\\\\\\\\\\\\\\\\\\\\\\\\\\\\\\\\\\\\\\\\\\\\\\\\\\\\\\\\\\\\\\\\\\\\\\\\\\\\\\\\\\\\\\\\\\\\\\\\\\\\\\\\\\\\\\\\\\\\\\\\\\\\\\\\\\\\\\\\\\\\\\\\\\\\\\\\\\\\\\\\\\\\\\\\\\\\\\\\\\\\\\\\\\\\\\\\\\\\\\\\\\\\\\\\\\\\\\\\\\\\\\\\\\\\\\\\\\\\\\\\\\\\\\\\\\\\\\\\\\\\\\\\\\\\\\\\\\\\\\\\\\\\\\\\\\\\\\\\\\\\\\\\\\\\\\\\\\\\\\\\\\\\\\\\\\\\\\\\\\\\\\\\\\\\\\\\\\\\\\\\\\\\\\\\\\\\\\\\\\\\\\\\\\\\\\\\\\\\\\\\\\\\\\\\\\\\\\\\\\\\\\\\\\\\\\\\\\\\\\\\\\\\\\\\\\\\\\\\\\\\\\\\\\\\\\\\\\\\\\\\\\\\\\\\\\\\\\\\\\\\\\\\\\\\\\\\\\\\\\\\\\\\\\\\\\\\\\\\\\\\\\\\\\\\\\\\\\\\\\\\\\\\\\\\\\\\\\\\\\\\\\\\\\\\\\\\\\\\\\\\\\\\\\\\\\\\\\\\\\\\\\\\\\\\\\\\\\\\\\\\\\\\\\\\\\\\\\\\\\\\\\\\\\\\\\\\\\\\\\\\\\\\\\\\\\\\\\\\\\\\\\\\\\\\\\\\\\\\\\\\\\\\\\\\\\\\\\\\\\\\\\\\\\\\\\\\\\\\\\\\\\\\\\\\\\\\\\\\\\\\\\\\\\\\\\\\\\\\\\\\\\\\\\\\\\\\\\\\\\\\\\\\\\\\\\\\\\\\\\\\\\\\\\\\\\\\\\\\\\\\\\\\\\\\\\\\\\\\\\\\\\\\\\\\\\\\\\\\\\\\\\\\\\\\\\\\\\\\\\\\\\\\\\\\\\\\\\\\\\\\\\\\\\\\\\\\\\\\\\\\\\\\\\\\\\\\\\\\\\\\\\\\\\\\\\\\\\\\\\\\\\\\\\\\\\\\\\\\\\\\\\\\\\\\\\\\\\\\\\\\\\\\\\\\\\\\\\\\\\\\\\\\\\\\\\\\\\\\\\\\\\\\\\\\\\\\\\\\\\\\\\\\\\\\\\\\\\\\\\\\\\\\\\\\\\\\\\\\\\\\\\\\\\\\\\\\\\\\\\\\\\\\\\\\\\\\\\\\\\\\\\\\\\\\\\\\\\\\\\\\\\\\\\\\\\\\\\\\\\\\\\\\\\\\\\\\\\\\\\\\\\\\\\\\\\\\\\\\\\\\\\\\\\\\\\\\\\\\\\\\\\\\\\\\\\\\\\\\\\\\\\\\\\\\\\\\\\\\\\\\\\\\\\\\\\\\\\\\\\\\\\\\\\\\\\\\\\\\\\\\\\\\\\\\\\\\\\\\\\\\\\\\\\\\\\\\\\\\\\\\\\\\\\\\\\\\\\\\\\\\\\\\\\\\\\\\\\\\\\\\\\\\\\\\\\\\\\\\\\\\\\\\\\\\\\\\\\\\\\\\\\\\\\\\\\\\\\\\\\\\\\\\\\\\\\\\\\\\\\\\\\\\\\\\\\\\\\\\\\\\\\\\\\\\\\\\\\\\\\\\\\\\\\\\\\\\\\\\\\\\\\\\\\\\\\\\\\\\\\\\\\\\\\\\\\\\\\\\\\\\\\\\\\\\\\\\\\\\\\\\\\\\\\\\\\\\\\\\\\\\\\\\\\\\\\\\\\\\\\\\\\\\\\\\\\\\\\\\\\\\\\\\\\\\\\\\\\\\\\\\\\\\\\\\\\\\\\\\\\\\\\\\\\\\\\\\\\\\\\\\\\\\\\\\\\\\\\\\\\\\\\\\\\\\\\\\\\\\\\\\\\\\\\\\\\\\\\\\\\\\\\\\\\\\\\\\\\\\\\\\\\\\\\\\\\\\\\\\\\\\\\\\\\\\\\\\\\\\\\\\\\\\\\\\\\\\\\\\\\\\\\\\\\\\\\\\\\\\\\\\\\\\\\\\\\\\\\\\\\\\\\\\\\\\\\\\\\\\\\\\\\\\\\\\\\\\\\\\\\\\\\\\\\\\\\\\\\\\\\\\\\\\\\\\\\\\\\\\\\\\\\\\\\\\\\\\\\\\\\\\\\\\\\\\\\\\\\\\\\\\\\\\\\\\\\\\\\\\\\\\\\\\\\\\\\\\\\\\\\\\\\\\\\\\\\\\\\\\\\\\\\\\\\\\\\\\\\\\\\\\\\\\\\\\\\\\\\\\\\\\\\\\\\\\\\\\\\\\\\\\\\\\\\\\\\\\\\\\\\\\\\\\\\\\\\\\\\\\\\\\\\\\\\\\\\\\\\\\\\\\\\\\\\\\\\\\\\\\\\\\\\\\\\\\\\\\\\\\\\\\\\\\\\\\\\\\\\\\\\\\\\\\\\\\\\\\\\\\\\\\\\\\\\\\\\\\\\\\\\\\\\\\\\\\\\\\\\\\\\\\\\\\\\\\\\\\\\\\\\\\\\\\\\\\\\\\\\\\\\\\\\\\\\\\\\\\\\\\\\\\\\\\\\\\\\\\\\\\\\\\\\\\\\\\\\\\\\\\\\\\\\\\\\\\\\\\\\\\\\\\\\\\\\\\\\\\\\\\\\\\\\\\\\\\\\\\\\\\\\\\\\\\\\\\\\\\\\\\\\\\\\\\\\\\\\\\\\\\\\\\\\\\\\\\\\\\\\\\\\\\\\\\\\\\\\\\\\\\\\\\\\\\\\\\\\\\\\\\\\\\\\\\\\\\\\\\\\\\\\\\\\\\\\\\\\\\\\\\\\\\\\\\\\\\\\\\\\\\\\\\\\\\\\\\\\\\\\\\\\\\\\\\\\\\\\\\\\\\\\\\\\\\\\\\\\\\\\\\\\\\\\\\\\\\\\\\\\\\\\\\\\\\\\\\\\\\\\\\\\\\\\\\\\\\\\\\\\\\\\\\\\\\\\\\\\\\\\\\\\\\\\\\\\\\\\\\\\\\\\\\\\\\\\\\\\\\\\\\\\\\\\\\\\\\\\\\\\\\\\\\\\\\\\\\\\\\\\\\\\\\\\\\\\\\\\\\\\\\\\\\\\\\\\\\\\\\\\\\\\\\\\\\\\\\\\\\\\\\\\\\\\\\\\\\\\\\\\\\\\\\\\\\\\\\\\\\\\\\\\\\\\\\\\\\\\\\\\\\\\\\\\\\\\\\\\\\\\\\\\\\\\\\\\\\\\\\\\\\\\\\\\\\\\\\\\\\\\\\\\\\\\\\\\\\\\\\\\\\\\\\\\\\\\\\\\\\\\\\\\\\\\\\\\\\\\\\\\\\\\\\\\\\\\\\\\\\\\\\\\\\\\\\\\\\\\\\\\\\\\\\\\\\\\\\\\\\\\\\\\\\\\\\\\\\\\\\\\\\\\\\\\\\\\\\\\\\\\\\\\\\\\\\\\\\\\\\\\\\\\\\\\\\\\\\\\\\\\\\\\\\\\\\\\\\\\\\\\\\\\\\\\\\\\\\\\\\\\\\\\\\\\\\\\\\\\\\\\\\\\\\\\\\\\\\\\\\\\\\\\\\\\\\\\\\\\\\\\\\\\\\\\\\\\\\\\\\\\\\\\\\\\\\\\\\\\\\\\\\\\\\\\\\\\\\\\\\\\\\\\\\\\\\\\\\\\\\\\\\\\\\\\\\\\\\\\\\\\\\\\\\\\\\\\\\\\\\\\\\\\\\\\\\\\\\\\\\\\\\\\\\\\\\\\\\\\\\\\\\\\\\\\\\\\\\\\\\\\\\\\\\\\\\\\\\\\\\\\\\\\\\\\\\\\\\\\\\\\\\\\\\\\\\\\\\\\\\\\\\\\\\\\\\\\\\\\\\\\\\\\\\\\\\\\\\\\\\\\\\\\\\\\\\\\\\\\\\\\\\\\\\\\\\\\\\\\\\\\\\\\\\\\\\\\\\\\\\\\\\\\\\\\\\\\\\\\\\\\\\\\\\\\\\\\\\\\\\\\\\\\\\\\\\\\\\\\\\\\\\\\\\\\\\\\\\\\\\\\\\\\\\\\\\\\\\\\\\\\\\\\\\\\\\\\\\\\\\\\\\\\\\\\\\\\\\\\\\\\\\\\\\\\\\\\\\\\\\\\\\\\\\\\\\\\\\\\\\\\\\\\\\\\\\\\\\\\\\\\\\\\\\\\\\\\\\\\\\\\\\\\\\\\\\\\\\\\\\\\\\\\\\\\\\\\\\\\\\\\\\\\\\\\\\\\\\\\\\\\\\\\\\\\\\\\\\\\\\\\\\\\\\\\\\\\\\\\\\\\\\\\\\\\\\\\\\\\\\\\\\\\\\\\\\\\\\\\\\\\\\\\\\\\\\\\\живот, потом тором по 5-10 минут на желчный. Смотрите по ощущениям. Я лично, начинал с почек по 5 минут на каждую, тором... а потом уже дальнейшая процедура. Это чтобы пациент себя хорошо чувствовал, обычно почки у многих подзабиты... Камни, где бы они не были, это как правило соли (кальций-фосфаты, оксалаты и ураты) в желчном еще холестериновые, билирубиновые камни, поэтому процедура, по сути, не должна отличаться... Как можно заметить, каждый сам выбирает длительности и алгоритм лечения ) экспериментируют люди ) Если хорошо переносятся катушки, можно увеличь продолжительность... плоскую и по часу юзают и тор по 40 минут ) а кто и 2-3 раза в день по 30 минут... главное на 3-4 день наблюдать за цветом мочи... если потемнеет, лучше прекратить на 1-2 дня, дать организму вывести шлаки и продукты распада...
Александр Мишин: ториком, медленно, но планомерно ))
luka5242: при лечении глаз, глаза открыты или закрыты или без разницы. И ёще при пользовании ДМА на животе происходит ощущение голода, такое было замечено в практике или это индивидуальный случай.
Александр Мишин: ощущение голода - вероятно это разовые ощущения))
Vlantag 61: Александр подскажите пожалуйста можно ли помочь: девочке 7 лет, эпилепсия. Если Да, то как лучше - какой катушкой, в каком месте, какой мощностью и сколько по времени. Ребенок все-таки.
Александр Мишин: плоской катушкой на 20в по 30мин утром вечером... ребенок очень быстро регенерирует... приложить стандартно спина/грудь
bmat: болит зуб под металлической коронкой - как воздействовать и чем?
Александр Мишин: тором, прямо на него... у меня во всех случаях люди ощущали холодок... 30 мин в день достаточно.
bmat: Посе двух сеансов ТМА боль в зубе под коронкой прошла. СПАСИБО. Использовал самодельный генератор с усилителем http://x-faq.ru/index.php?topic=4007.msg102233#msg102233
bmat: Александр, подскажи как и чем воздействовать на висячую бородавку (папиллома пальцевидная)? Находится под мышкой и мешает. Сколько для профилактики продолжать воздействие?
Александр Мишин: 3 дня достаточно для профилактики. Папилломы в течение одного месяца примерно начинают сохнуть и отваливаются после восстановления "вихревого тела".
Evgeny: Александр, а можно подробнее про вихревое тело, я задавал вопрос по поводу Бехтерева, заболевание аутоимунное, недавно был вопрос по поводу аутоиммунных, но по Бехтереву был ответ, что шанс низкий помочь и что физ.тело соответствует вихревому... если позвоночник сросся, как это выглядит на "вихревом уровне\\\\\\\\\\\\\\\\\\\\\\\\\\\\\\\\\\\\\\\\\\\\\\\\\\\\\\\\\\\\\\\\\\\\\\\\\\\\\\\\\\\\\\\\\\\\\\\\\\\\\\\\\\\\\\\\\\\\\\\\\\\\\\\\\\\\\\\\\\\\\\\\\\\\\\\\\\\\\\\\\\\\\\\\\\\\\\\\\\\\\\\\\\\\\\\\\\\\\\\\\\\\\\\\\\\\\\\\\\\\\\\\\\\\\\\\\\\\\\\\\\\\\\\\\\\\\\\\\\\\\\\\\\\\\\\\\\\\\\\\\\\\\\\\\\\\\\\\\\\\\\\\\\\\\\\\\\\\\\\\\\\\\\\\\\\\\\\\\\\\\\\\\\\\\\\\\\\\\\\\\\\\\\\\\\\\\\\\\\\\\\\\\\\\\\\\\\\\\\\\\\\\\\\\\\\\\\\\\\\\\\\\\\\\\\\\\\\\\\\\\\\\\\\\\\\\\\\\\\\\\\\\\\\\\\\\\\\\\\\\\\\\\\\\\\\\\\\\\\\\\\\\\\\\\\\\\\\\\\\\\\\\\\\\\\\\\\\\\\\\\\\\\\\\\\\\\\\\\\\\\\\\\\\\\\\\\\\\\\\\\\\\\\\\\\\\\\\\\\\\\\\\\\\\\\\\\\\\\\\\\\\\\\\\\\\\\\\\\\\\\\\\\\\\\\\\\\\\\\\\\\\\\\\\\\\\\\\\\\\\\\\\\\\\\\\\\\\\\\\\\\\\\\\\\\\\\\\\\\\\\\\\\\\\\\\\\\\\\\\\\\\\\\\\\\\\\\\\\\\\\\\\\\\\\\\\\\\\\\\\\\\\\\\\\\\\\\\\\\\\\\\\\\\\\\\\\\\\\\\\\\\\\\\\\\\\\\\\\\\\\\\\\\\\\\\\\\\\\\\\\\\\\\\\\\\\\\\\\\\\\\\\\\\\\\\\\\\\\\\\\\\\\\\\\\\\\\\\\\\\\\\\\\\\\\\\\\\\\\\\\\\\\\\\\\\\\\\\\\\\\\\\\\\\\\\\\\\\\\\\\\\\\\\\\\\\\\\\\\\\\\\\\\\\\\\\\\\\\\\\\\\\\\\\\\\\\\\\\\\\\\\\\\\\\\\\\\\\\\\\\\\\\\\\\\\\\\\\\\\\\\\\\\\\\\\\\\\\\\\\\\\\\\\\\\\\\\\\\\\\\\\\\\\\\\\\\\\\\\\\\\\\\\\\\\\\\\\\\\\\\\\\\\\\\\\\\\\\\\\\\\\\\\\\\\\\\\\\\\\\\\\\\\\\\\\\\\\\\\\\\\\\\\\\\\\\\\\\\\\\\\\\\\\\\\\\\\\\\\\\\\\\\\\\\\\\\\\\\\\\\\\\\\\\\\\\\\\\\\\\\\\\\\\\\\\\\\\\\\\\\\\\\\\\\\\\\\\\\\\\\\\\\\\\\\\\\\\\\\\\\\\\\\\\\\\\\\\\\\\\\\\\\\\\\\\\\\\\\\\\\\\\\\\\\\\\\\\\\\\\\\\\\\\\\\\\\\\\\\\\\\\\\\\\\\\\\\\\\\\\\\\\\\\\\\\\\\\\\\\\\\\\\\\\\\\\\\\\\\\\\\\\\\\\\\\\\\\\\\\\\\\\\\\\\\\\\\\\\\\\\\\\\\\\\\\\\\\\\\\\\\\\\\\\\\\\\\\\\\\\\\\\\\\\\\\\\\\\\\\\\\\\\\\\\\\\\\\\\\\\\\\\\\\\\\\\\\\\\\\\\\\\\\\\\\\\\\\\\\\\\\\\\\\\\\\\\\\\\\\\\\\\\\\\\\\\\\\\\\\\\\\\\\\\\\\\\\\\\\\\\\\\\\\\\\\\\\\\\\\\\\\\\\\\\\\\\\\\\\\\\\\\\\\\\\\\\\\\\\\\\\\\\\\\\\\\\\\\\\\\\\\\\\\\\\\\\\\\\\\\\\\\\\\\\\\\\\\\\\\\\\\\\\\\\\\\\\\\\\\\\\\\\\\\\\\\\\\\\\\\\\\\\\\\\\\\\\\\\\\\\\\\\\\\\\\\\\\\\\\\\\\\\\\\\\\\\\\\\\\\\\\\\\\\\\\\\\\\\\\\\\\\\\\\\\\\\\\\\\\\\\\\\\\\\\\\\\\\\\\\\\\\\\\\\\\\\\\\\\\\\\\\\\\\\\\\\\\\\\\\\\\\\\\\\\\\\\\\\\\\\\\\\\\\\\\\\\\\\\\\\\\\\\\\\\\\\\\\\\\\\\\\\\\\\\\\\\\\\\\\\\\\\\\\\\\\\\\\\\\\\\\\\\\\\\\\\\\\\\\\\\\\\\\\\\\\\\\\\\\\\\\\\\\\\\\\\\\\\\\\\\\\\\\\\\\\\\\\\\\\\\\\\\\\\\\\\\\\\\\\\\\\\\\\\\\\\\\\\\\\\\\\\\\\\\\\\\\\\\\\\\\\\\\\\\\\\\\\\\\\\\\\\\\\\\\\\\\\\\\\\\\\\\\\\\\\\\\\\\\\\\\\\\\\\\\\\\\\\\\\\\\\\\\\\\\\\\\\\\\\\\\\\\\\\\\\\\\\\\\\\\\\\\\\\\\\\\\\\\\\\\\\\\\\\\\\\\\\\\\\\\\\\\\\\\\\\\\\\\\\\\\\\\\\\\\\\\\\\\\\\\\\\\\\\\\\\\\\\\\\\\\\\\\\\\\\\\\\\\\\\\\\\\\\\\\\\\\\\\\\\\\\\\\\\\\\\\\\\\\\\\\\\\\\\\\\\\\\\\\\\\\\\\\\\\\\\\\\\\\\\\\\\\\\\\\\\\\\\\\\\\\\\\\\\\\\\\\\\\\\\\\\\\\\\\\\\\\\\\\\\\\\\\\\\\\\\\\\\\\\\\\\\\\\\\\\\\\\\\\\\\\\\\\\\\\\\\\\\\\\\\\\\\\\\\\\\\\\\\\\\\\\\\\\\\\\\\\\\\\\\\\\\\\\\\\\\\\\\\\\\\\\\\\\\\\\\\\\\\\\\\\\\\\\\\\\\\\\\\\\\\\\\\\\\\\\\\\\\\\\\\\\\\\\\\\\\\\\\\\\\\\\\\\\\\\\\\\\\\\\\\\\\\\\\\\\\\\\\\\\\\\\\\\\\\\\\\\\\\\\\\\\\\\\\\\\\\\\\\\\\\\\\\\\\\\\\\\\\\\\\\\\\\\\\\\\\\\\\\\\\\\\\\\\\\\\\\\\\\\\\\\\\\\\\\\\\\\\\\\\\\\\\\\\\\\\\\\\\\\\\\\\\\\\\\\\\\\\\\\\\\\\\\\\\\\\\\\\\\\\\\\\\\\\\\\\\\\\\\\\\\\\\\\\\\\\\\\\\\\\\\\\\\\\\\\\\\\\\\\\\\\\\\\\\\\\\\\\\\\\\\\\\\\\\\\\\\\\\\\\\\\\\\\\\\\\\\\\\\\\\\\\\\\\\\\\\\\\\\\\\\\\\\\\\\\\\\\\\\\\\\\\\\\\\\\\\\\\\\\\\\\\\\\\\\\\\\\\\\\\\\\\\\\\\\\\\\\\\\\\\\\\\\\\\\\\\\\\\\\\\\\\\\\\\\\\\\\\\\\\\\\\\\\\\\\\\\\\\\\\\\\\\\\\\\\\\\\\\\\\\\\\\\\\\\\\\\\\\\\\\\\\\\\\\\\\\\\\\\\\\\\\\\\\\\\\\\\\\\\\\\\\\\\\\\\\\\\\\\\\\\\\\\\\\\\\\\\\\\\\\\\\\\\\\\\\\\\\\\\\\\\\\\\\\\\\\\\\\\\\\\\\\\\\\\\\\\\\\\\\\\\\\\\\\\\\\\\\\\\\\\\\\\\\\\\\\\\\\\\\\\\\\\\\\\\\\\\\\\\\\\\\\\\\\\\\\\\\\\\\\\\\\\\\\\\\\\\\\\\\\\\\\\\\\\\\\\\\\\\\\\\\\\\\\\\\\\\\\\\\\\\\\\\\\\\\\\\\\\\\\\\\\\\\\\\\\\\\\\\\\\\\\\\\\\\\\\\\\\\\\\\\\\\\\\\\\\\\\\\\\\\\\\\\\\\\\\\\\\\\\\\\\\\\\\\\\\\\\\\\\\\\\\\\\\\\\\\\\\\\\\\\\\\\\\\\\\\\\\\\\\\\\\\\\\\\\\\\\\\\\\\\\\\\\\\\\\\\\\\\\\\\\\\\\\\\\\\\\\\\\\\\\\\\\\\\\\\\\\\\\\\\\\\\\\\\\\\\\\\\\\\\\\\\\\\\\\\\\\\\\\\\\\\\\\\\\\\\\\\\\\\\\\\\\\\\\\\\\\\\\\\\\\\\\\\\\\\\\\\\\\\\\\\\\\\\\\\\\\\\\\\\\\\\\\\\\\\\\\\\\\\\\\\\\\\\\\\\\\\\\\\\\\\\\\\\\\\\форме" ? Хочу заметить, что боль, при Бехтереве совсем ушла, и пациент говорит, хочется разогнуться и выпрямится, но скованность мешает... может как-то все таки можно ломать это все? Он как бы на турнике и на шаре, там пытается "поломать" сросты... но пока безуспешно...
Александр Мишин: механическое повреждение не ведет к повреждению вихревого и наоборот, повреждение вихревого провоцирует искажения в обычном ЭМ тельце :) так что, тут сам можешь оценивать в зависимости от конкретного случая. Срастание возможно постепенно будет уходить..."возможно". Статика будет пытаться возвращать его в норму, но многое и от самого организма зависит
Evgeny: Все понял, спасибо за ответ ) Будем максимально долго лечить! Если победим бехтерев это будет фантастически круто! )
Александр Мишин: изменение морфологии тела происходит только по причине искажений в вихревом... иначе бы не было регенерации в проблемном участке тела
Вадим СЭ Алтай: Александр, один знакомый, намотал биф не блином, а на трубу, как обычную Тесла, башенкой. Скажи пожалуйста, это может сработать и будет ли хоть какой-нибудь эффект вообще у него.
Александр Мишин: воздействие одной частотой (узким спектром) может вызвать повреждение как обычное излучение. Это вещи не для домашнего исполнения ))
Александр Мишин: Для любознательных: спектр емкости формируется изменением диаметра витков обмотки, т.е. намотав на трубу вы получаете обратный эффект, чем от диска.
Вадим СЭ Алтай: Да я тоже ленивый, намотал витой парой сплюснутый тор. Работает прекрасно.
Александр Мишин: работать много всяких емкостей будет, вопрос правильности и эффективности :)
Вячеслав: можно ли воздействовать на камень в желчном пузыре?
Александр Мишин: ториком, медленно, но планомерно ))
Вячеслав: можно этот момент чуть подробнее разъяснить.
Александр Мишин: камни разжижаются, при этом возможен процесс и распада на более мелкие
Вячеслав: Которые попытаются выйти естественным образом через протоки и создать болезненные ощущения в лучшем случае, а в худшем - поцарапать проток или застрять в нем? На сколько вероятен такой сценарий?
Александр Мишин: тором им поможешь и пройдут, острые грани первые растворяются, уже проверено, боль снимается за 10-15 мин при выходе почечных камней
Вячеслав: Но тором вряд ли поможешь если камень зайдет в проток. Времени на тор уже не будет.
Александр Мишин: стоит понимать причину роста камня еще...
Вячеслав: Сейчас камень превышает размер протока, т.е. зайти он в него не может. Но при воздействии он может уменьшится и пойти в проток и застрять. Что будет очень печально. Да, я согласен, причину роста следует еще понять и устранить.
Вячеслав: Теперь насчет самого инструмента воздействия - Тор. Подойдет тот о котором пишут на форуме или для этой задачи нужно что-то особенное изготовить?
Александр Мишин: обычный тор из витой пары вполне подойдет, либо плоскую мотать из 0.1 мм провода, но ее на подобных проблемах еще не испытывали
Евгений С.: Почки при начале лечения себя никак не проявили, а вот день на третий обнаружил в санузле нечто необычно зеленого цвета.
Про печеночные проблемы у себя как-то особо и не знал. Хотя вспомнил, как-то раз на УЗИ ходил - сказали желч. проток там как-то круто загибается...
donkihot98: Александр у меня повышенный сахар в крови пью деабетон с плоской катушкой можно принимать, и ещё у меня рассеянный склероз, у вас были случаи лечения.
Александр Мишин: с сахаром нормально работает, если не сильно запущенная стадия, может очень быстро вернуться все в норму. Для тех кто принимает инсулин возможны кратковременные скачки сахара в большую сторону, это первый признак того, что принимаемый инсулин не правильно работает в вашем организме.
timur-minikaev: Ни у кого ассоциаций не вызывает http://www.kramola.info/vesti/neobyknovennoe/zagadka-soloveckih-labirintov
Александр Мишин: над этим можно поразмыслить ))
Валерий Серовский: Александр, а в кругах на полях тоже спирали похожие есть. А рисунки вы все понимаете? http://2012god.ru/krugi-na-polyax-rasshifrovka/
Александр Мишин: не все, но многое становится понятным )
andrey_semeshin: Вопрос по внутреннему диаметру дисков. Есть ли "золотое" соотношение внутреннего и внешнего диаметра катушки-диска.
Александр Мишин: размеры статики измеряются в дюймах, так что с шагом в 25 мм трудно ошибиться (тут имеется в виду что дюймовая система древними выбрана не случайно и нам нужно также под неё подстраиваться. Внутрениий диаметр диска должен быть 1 дюйм ~ 25 мм и внешний желательно 2,3,4... дюйма, но не более 10 дюймов)
сергей: человеку 70 лет два инсульта, прошла операция на колено, заменен сустав на металлический, можно ли попробовать использования диска?
Александр Мишин: по инсульту там все нормально будет, а вот с суставом аккуратно работать нужно... не торопясь
сергей: по поводу инсульта. Какой диск?
Александр Мишин: просто цельником тельце катаем на плоских ))
bmat: Александр, а есть опыт работы с грыжами? Их много разновидностей. Интересует грыжа пищевода.
Александр Мишин: во многих подобных случаях помогало, но на очень быструю скорость рассасывания не стоит рассчитывать...2-3 месяца и более
Наталья Валерьевна: Имеются ли сведения по лечению очаговой склеродермии? И как бы посоветовали использовать катушку при этом заболевании. Традиционная медицина бессильна (
Александр Мишин: Эта хня не сильно отличается по функционалу от спида... поэтому смело 5 дней на плоских катушках, потом перерыв 2 дня и повторяй пока она не откинется... если будет возникать боль в органах или мышечных системах (включая сердце), ждешь пока она пройдет и снова общаешься со статикой :)
Наталья Валерьевна: Александр, а был ли опыт в этом направлении? Склеродермии в смысле. Дочери 18. И бляшки на лице
Александр Мишин: Эта классификация не сильно хорошо описывает класс таких проблем, аналогия - закупоривание капилляров при повышенном содержании сахара в крови, вот тут уже проверено, работает...
Наталья Валерьевна: А аутоимунный тереоидит? Что о нем скажите?
Александр Мишин: Аутоимунные "болячки" быстро идут на выход после исправлений в вихревом теле
Владимир Степанов: как думаете, если катушка "высасывает" из батареи энергию, то возможен ли обратный эффект-"зарядки"?
Прохор Molchanov: У меня не разряжаются баторейки. не на торе не на диске Это нормально или нет? Всегда ли они должны разряжаться?
Намотаны из витой пары , настраивал светодиодами, осциллографа нет, генератор взял во временное пользование. Заметил такое явление: с 7 до 9 по местному времяни утром и вечером меняется частота на генераторе (На 2 КГЦ) потом возвращается, так же она меняется когда приходят друзья 2 человека
Александр Мишин: этот момент пока только теоритический... но простое измерение напряжения на аккуме это не совсем правильно, оно и должно оставаться еще долго нормальным, возможно падение емкости элемента
Дмитрий Плужников: радом с этой катушкой датчик радиации показывает уменьшении радиации. датчик военный
Александр Мишин: Очень интересное наблюдение...
timur-minikaev: Почему Александр Седой не рекомендует мотать катушки на оргстекле?
Вадим СЭ Алтай: …оргстекле, хорошем и ёмком диэлектрике? :)
Александр Мишин: да от него толку мало, гнется и обмотки отваливаются
timur-minikaev: на чем сделана Ваша маленькая на медном проводе? вроде как в футляре прозрачном, которая сейчас в конференции была
Александр Мишин: https://yadi.sk/i/WKZNRivOpruhs
vau3677: Александр, я катушку укрепил бумагой с клеем для скрепления тканей. Нагреваешь утюгом и снимаешь бумагу. Получился монолит. После процедуры частота упала на 35 кГц. После доклада, думаю нормально это? Можно скрепить катушку полипропиленом?
free energy: Частота катушки немного уходит даже при небольшом прогреве
vau3677: Да, я отмотал провода поднявшись до 284кГц. Получилось в районе 9.3 метра, каждого.
Александр Мишин: нормально, от некоторых клеев у меня частоты на 100 кГц падали))
sier: Уважаемый Александр, подскажите, пожалуйста, можно применять схемы генераторов, с автоматическим поиском резонанса подключаемой емкости(катушки)? Или только генератор с плавной регулировкой частоты, и ручная настройка подключаемой емкости(катушки)?
Александр Мишин: если такое и делать, то ген должен настраиваться на максимальное потребление. Геометрически емкость не меняется, а значит и не меняется ее базовая частота
sier: Необходимо уточнение, Схемы с авторезонансом, меняют частоту, при изменении внешних факторов (температуры, влажности, поднесение металлических и любых других проводящих предметов), действующих на емкость (катушку)... Такие схемы нам не подходят? Настраиваем (ищем точку наибольшей проводимости) емкость (катушку) один раз, и держим эту частоту все время, не обращая внимание на внешнее воздействие?
Александр Мишин: именно так
bmat: Такая схема есть ЛЕЧЕБНЫЙДИСКген3,4 vasiljew 110319.jpg http://x-faq.ru/index.php?topic=4007.msg102233#msg102233 настройка http://x-faq.ru/index.php?topic=4007.msg102721#msg102721 Но вопрос еще в том что этот генератор имеет низкое выходное напряжение, а генератор которым ты Александр пользуешся имеет выходное сопротивление 50 Ом. Вопрос - может это важно для лечения иметь резистор, включенный последовательно с ТДМА Rвыхг=50Ом (по схеме замещения так получается). Что скажете?
Александр Мишин: это надо проверить... но вероятнее всего, ничего хорошего не будет :)
bmat: уточняющий вопрос с резистором или без резистора?
Александр Мишин: с резистором
Александр Мишин: 50ом это для согласования передачи синуса по коаксиалу
bmat: Еще один важный вопрос для схемотехников усилителей. Нужен разделительны кондцатор последовательно с ДТМА если питание усилителя не двухполярное?
Александр Мишин: это вопрос не ко мне... )))
free energy: Не нужен
bmat: Можете уточнить его у ваших схемотехников, которые делают народный генератор с тобой?
Александр Cмагин: Уважаемый Александр вы пробовали работать с углеродом лента, шнур, нить.
Александр Мишин: нет
Александр Cмагин: Александр мжно ли создать ёмкость из углерода
Александр Мишин: в природе все из емкостей состоит)
Александр Мишин: Вот е-меил и телефоны в Тольятти, для заказа генераторов yukond@mail.ru тел 8 (8482) 45 82 42 , 45 82 94
ricco-profit: Это народный генератор?
Александр Мишин: да
Александр Мишин: примерные характеристики: синус 250-400кГц, напряжение под нагрузкой тестировали без меня, сказали проседает всего до 8-12в в зависимости от катушки. По цене примерно 4000р
ricco-profit: ГЕНЕРАТОР СИНУСА (ДМА)
Генератор синуса подстраивается вручную от 250 КГц до 400 КГц (частота)
Мощность 2Вт. Выходное напряжение от 7,5 V до 30 V
Имеет отвод для подключения внешнего питания аккумулятора
Внутри есть блок питания 220 V ,встроенный таймер со звуковым сигналом отключения
Таймер имеет 4-е кнопки:
1-15мин.
2-30мин.
3-1ч.
4- до бесконечности
Есть тумблер для понижения мощности в 2 раза
Есть удлинительный провод с разъёмом для катушки 1,5 м.
Сами катушки в комплект не входят.
Михаил:

Vladimir Shat: Что будет на индикаторе! И есть ли датчик поля.
Александр Мишин: ген без индикатора, просто с подстроечником
Vladimir Shat: Как его настраивать
Александр Мишин: просто изготавливаем 1-3 катушки примерно на одну частоту, настраиваем и более ничего крутить не надо
kotania23: Александр здравствуйте у переменного резистоа на корпусе тольятинского гена есть градация частот? для контроля?
Александр Мишин: нет, там многооборотистый подстроечник, просто на осциле или индикаторной катушке настраиваем
Александр Мишин: Установлены (по моей просьбе) качественные металлические разъемы, хорошие медные провода, внтренний БП выполнен на мини-трансе 50Гц для гашения ВЧ помех. До этого испытвал импульсные БП, они даже на выносном проводе фонили на емкость.
Vladimir Shat: Александр! Подскажите планируется ли оборудовать прибор индикатором частоты и напряжения хотя бы стрелочным?
Александр Мишин: в следующих версиях возможно...
Юнкер: Нужен индикатор частоты и индикатор напряжения тоже. Чтобы на первых сеансах или для профилактики не со всей дури лупить, а небольшим напряжением. А потом уже можно и побольше, или для каких-то конкретных болячек. А то у нас все любят сразу по максимуму, чтобы пробирало, а это не всегда хорошо. А индикатор частоты для настройки и контроля. Это не должно сильно увеличить стоимость, но намного удобнее в пользовании.
Олег Лахтадыр: Саша, вопрос по вытравленой катушке. Если сделали, то какие данные, и самое главное - какой изоляцией покрывали? Мне предложили до 0.05 мм точность?!
Александр Мишин: вот пробный образец был изготовлен:
Александр Мишин: протестировал уже вытравленную катушку - очень слабая она из-за не верной геометрии проводов (дорожки плоские, а не круглые как провода)
slava0974: Александр,ответьте пожалуйста, если не сложно. При анкологии, после химии что происходит на вихревом уровне?
Александр Мишин: Дохнут раковые клетки, но процесс восстановления замедлен после химий
Олег Лахтадыр: Саша, вопрос по травленой катушке. Я так понял, что изоляция (лак, зеленое стандартное покрытие для плат, или еще что) пока не опробовано?
Александр Мишин: это будет проверяться
free energy: Александр добрый вечер, я тоже обратил внимание ещё на своем приборе 150мГц, что после химии очень трудно лечить. Кстати ещё такой момент очень может быть важный, перед процедурой лечения мы облучали стакан воды 5 минут, затем давали его больному выпить. Кто лечит рак ТМА или ДМА попробуйте такой вариант.
КостаМ: вопрос, хуже не будет если использовать ДМА так: (картинка где ДМА подвешен сверху и качается над лежащим пациентом).
Александр Мишин: А такой способ никаких преимуществ не даст ))
Владимир: Я изготовил один диск и получил, рабочую частоту 470 КГц. К свободным концам катушки присоединил небольшую ёмкость (керамический конденсатор), частота соответственно снизилась и стала 270 КГц. Такой вариант подстройки частоты имеет место быть?
Александр Мишин: нет, этим методом настраивается частота питания, а не работа емкости
Владимир: Понятно. Я когда настроил катушку у меня радио замолчало)))
sier: в документе, описывающем изготовление катушек (емкостей), в частности тороида из витой пары, указано, что отверстие тора должно быть 50 процентов от габаритного диаметра. А ниже есть фото, на котором отверстие намного меньше 50 процентов. Вопрос: соотношение размеров не критично, или на фото не правильный тороид, или описание не совсем корректно?
Александр Мишин: работать любой будет...чуть с разной эффективностью...
robinzon55: Генераторы из Тольятти уже можно заказывать и пользоваться?
Александр Мишин: да
Alex K.^ZHmyp IK.: к слову о процентах, на разных бубликах получается разное падение напряжения, больше всего получилось на том, который ближе всего напоминает 50P.
Александр Мишин: В документе приведено оптимальное соотношение, если намотаете по-другому, ничего страшного нет.
Александр Мишин: "больше всего получилось на том, который ближе всего напоминает 50P" - именно о такой эффективности я и говорю...
Yana Maneva: Скажите, пожалуйста, а катушки предполагается выпускать на том же заводе, что и генераторы и через какое-то время можно будет заказать комплектом? Или на этом заводе можно только генератор, а катушки будут в другом месте?
Александр Мишин: катушки сейчас пытаемся реализовать на стеклотекстолите, сроки промышленного выпуска и характеристики пока не известны...
vau3677: в генераторах доступных народу, при имплозии или даже возле неё синусоида превращается в непонятно что. Как я понимаю такую "синусоиду" применять нельзя? Из показанных на фото генераторов лишь vc2002c держит синусоиду, но с просадкой и острием в пикак. Как я себе понимаю, синус должен быть чистым. Нужно добиватся чистого синуса? Фото генераторов: postimg.org/image/u13i6exg5/
Александр Мишин: да, конечно, стремимся к чистому синусу. это еще и эффективность сильно поднимет
Александр Мишин: на будущих моделях народного генератора планирую реализовывать автономное питание и систему рекуперации :) это реализация СЕ технологий))
Александр: Позволю отступить от темы. Картинка из книги Белоусова безопасная молния. Он пишет что дыхание земли 2,93 и синус напоминает как у Седова на видео при имплозии катушки.

Александр Мишин: Это называется - система нагруженного резонанса
free energy: Александр скажите это нормальная реакция, девушка 26 лет, жена моя, первые симптомы простуды, положил ДМА на грудь на пол часа, через 15 минут поклонило в сон, через пол часа после сеанса появилась аллергическая сыпь на груди и на руке, пупырышки, за час прошли.
Александр Мишин: это реакция на изменение кровообращения) это не аллергия, просто пятна, которые за час у нее и прошли. Чуток бурно организм отреагировал на устранение вихревых проблем кровообращения
Вадим СЭ Алтай: перед тем как задавать вопрос, можно ознакомиться с ответами по сочетанию клавиш: Ctrl F
КостаМ: ... по контрольной катушке (замена осциллографу) по которой и настраивается режим имплозии
Александр Мишин: на счет тестовой катушки уже много раз объяснял - не принципиально как она намотана, 20-30 витков на руке вполне достаточно.
Romualdas Karklis: Tam pro ogsteklo spasivali.Dumaju sto statiku nepropuskajet po etomu i nelzia matat na niom.
Александр Мишин: мотать можно, все будет работать...но опыт работы показал, что оно там не нужно ))
Victoria: Есть ли наработки по лечению аденоидита у детей?
Александр Мишин: да, в течение месяца обычно рассасываются/отваливаются различного рода наросты
nata.flamelove: Подскажите пожалуйста, можно ли использовать для лечения "Генератор с АПЧ псевдо синус (трапеция)- sean" взятый от сюда: http://x-faq.ru/index.php?topic=4007.msg102267#msg102267 GEN_TDMA.561ЛН2 v01
сергей: 2 года назад изготовил оргоновый ген-р дуло из него прилично (200-300м) диаметр, потом с кондером из фольги и углеродом, потом на ферритовом кольце катушку мебиуса замкнутым проводом. после забыл проних, хотя ощущений море и не передать, и через некоторое время началось ухудшения у двигательного аппарата, и всего остального организма, зубы стали вываливаться. за полгода организм постарел лет на 20. все выбросил перетерев в порошок. т.к. вихри вижу, движения вижу, но не знаю че это. Не знаю можно ли восстановиться, поможет диск?
Александр Мишин: проверяй, если не финальная стадия завершения жизненного пути, то поможет
Александр Семёнов: Александр можно ли использовать под основу намотки плоской катушки панели ПВХ толщиной 0.5 см. Или что лучше использовать за основу?
Димка кубик: фанеру или ламинат
free energy: Фанеру лучше
Олег Шабалин: почему ?
Вадим СЭ Алтай: .на то что покрепче просто удобнее мотать. :)
Evgeny: фанера, мдф, двп, картон, все годится и все работает... единственное на картоне твердости нет )
Александр Мишин: можно конечно и ПВХ, но ДВП, фанера, МДФ более надежные
Евгений С.: Александр! Беспокоюсь за одну бактерию :) - "сенную палочку" в сотнях лиц-штаммов, что сидит в пробиотиках типа Ветом и аналогичных линейках. Они сами своими средствами "мочат" всё вредное для них (и заодно для нас) микробиологическое окружение, вырабатывая для этого соответствующие вещества. Они не попадут под раздачу вместе с вредятиной?
Александр Мишин: скорее наоборот, мы поможем ей интенсивно развиваться
Евгений С.: В лекции говорилось, что проблемы типа "нехватка" лучше решает гомеопатия. На мой вопрос, не затирает ли катушка инфо от гомеопатии в организме, Вы после консультации с гомеопатом сказали, что и нехватки катушка в конечном счете устранит. Но вот недавно смотрел меня гомеопат на ВРТ и подобрал мне "горошки" с потенцией 100-200, что говорит о большой нехватке, так что точный ответ на мой вопрос все же требуется. Чтобы гомеопат "на уши не встал", не понимая, почему не работают его препараты )
Александр Мишин: они тебе и не потребуются, хорошо настроеный диск заменяет весь спектр препаратов, кроме тех мест где дыра, и требуется материал (слизь) для регенерации
Евгений С.: Ну, возможно, горошки эту слизь и делают... По крайней мере месяц с катушками пока все нехватки не выправили...
Сергей Трибунский: Александр! Какие катушки и режимы посоветуете при обработке зон метастазирования по лиматическим узлам в область средостения (после 3 операций на шее, последняя 11 февраля, ранее зоны шей облучались на ускорителе и облучение закончено 23 декабря 2015) и основания мозга (в мозгу метастаз 1,5 см, в основании за глоткой 2,5 см. С уважением.
Александр Мишин: Зоны метастаз торами, но и комплексную обработку плоскими тоже. Через 2-3 дня уже может возникнуть опухание этих зон, после чего ждем пока пройдет осложнение и потом уже продолжаем дальше обрабатывать
Сергей Трибунский: Торы будут работать от генератора вышеуказанного? По сколько минут (видимо проекция зон метастазов за грудиной и проекция на теле метастазов мозга и глотки) для начала? Конечно, судя по лекциям с контролем мочи (количество и качество при отстое визуально)
Romualdas Karklis: Sania , a po ciastotam Hulda Crark rabotat neprobovali? Tam vse ciastoti parazitov i virusov est
Александр Мишин: про частоты я подробно объяснил в последней конференции...вот жду когда мозг у вас начнет включаться ))
spivakova.ludmila: Александр здравствуйте, а запись последней конференции где можно найти ?
Evgeny: последняя конференция:
Александр Мишин: ...когда организм почти перестаем реагировать на большой, то переходишь на меньшего диаметра.
Александр Мишин: наши катушки плоские, без подключения питания и закороченые по входу работают тоже в пассивном режиме :) (ответ на мировинг)
Кошеваров Александр Георгиевич: Когда то занимался качером и хватанул негатива, потом около месяца отходил, после перемотки катушки в левую сторону, все стало нормально с организмом и качером можно было заниматься сколько угодно долго. Вопрос. В какую сторону мотать шесть проводов во круг седьмого? Ни как не найду тот ролик, что бы определиться?
Димка кубик: "Виток Силы Жизни РУС"
Александр Мишин: мотать влево, чтобы после намотки они свивались вправо если смотреть с торца
andrucha lewin: У меня такой вопрос: Имеет ли каждый человек энергетическое поле в ввиде тора, если да то в какую сторону закручен тор вправо или влево и зависит ли это как нибудь от группы крови. Если мотать катушки то обязательно вправо?
Александр Мишин: для емкостных катушек питаемых синусом без разницы а какую сторону намотка (вправо или лево)
leonid-spivakov: У меня генератор г6-27 он не выдаёт нужного тока на сопротивлении 1 ом. Я изготовил эмиттерный повторитель на транзисторах кт961 и кт819 с радиатором. В эмиттере сопротивление 30 ом 5w и конденсатор 470n, а в коллектор подключил трансформатор на кольце 40мм намотан в два скрученных провода 0,5мм 7 витков. Вторичную обмотку подключил через сопротивление 1 ом к ТДМА, ток на сопротивлении повысился с 70ма до 400ма. Питание 10в
Slava: У меня вопрос по генератору: На x-faq.ru схемки генераторов на выходе имеют синус но от Сколько-то вольт до нуля. Вопрос это принципиально важно иметь настоящий синус с минусовой полуволной нулем и плюсовой полуволной?
Александр Мишин: синус может быть и без перехода через ноль
Slava: Я уже довольно долго занимаюсь волновой медициной, если это можно так назвать. Даже купил аппарат работающий по Кларк и Райфу. Главное с аппаратом идет плоская катушка, подключаемая к выходу, который несет в себе синус 10V до нуля идентичный синусу на электродах. Синус от 10V до нуля. При покупке мне было сказано, что пользоваться можно только одной стороной катушки (эта сторона была названа плюсовой) Вот поэтому я ещё раз спросил есть ли разница в виде синуса? По мне так потенциал изменяется от позитивного к негативному и какая разница где 0
Александр Мишин: там видмо катушка индуктивности
sergeyomel: Александ, я правильно понял, что катушки даже могут снять порчу (энергетическую программу), повешенную на энергетическое тело, так?
Александр Мишин: да, проверено, 40 мин достаточно ))
Сергей 73: Александр подскажите пожалуйста как можно помочь человеку возраст 45 лет, рост 180 см,вес 160 кг, АД 170/100 у него жалобы на сердечную недостаточность,отёчность особенно сильно заметно на нижних конечностях ну и на всём теле. С чего начать лечение?
Александр Авилов: для начала попробовать диету. Я сам веган и всем советую
Александр Мишин: на плоские катушки по часу утром и вечером на поясницу и грудь, перевести на овощную диету на месяц, следите за почками, если почки начнут болеть. то тором по 5-10 мин их чистим
Slava: Сделал тор из витой пары диаметр одной жилы 1 мм Тор получился маленький. Размеры внешний диаметр 70 мм Внутренний диаметр 40 мм.
Александр вы писали, что отверстие должно быть примерно 50% от общего диаметра. Здесь оно получилось больше. Такой тор можно использовать?
Александр Мишин: да, конечно, у него просто эффективность чуть ниже получилась
Аркадий: у моего друга колит. Рекомендации врачей не работают. Можно ли помочь ему вихревой медициной?
Алексей Drozofil: мне помогло с первого сеанса
Александр Мишин: Статика очень быстро разрушает причины воспалительных процессов, эффективность можно будет увидеть уже после часа применения. Мне помогло с первого сеанса, причина лежит намного глубже, возможно потребуется время для восстановления функций органов (печени/поджелудочной)
Victoria: в процессе очистки организма, желательно подключать лимфодренаж, для разгрузки и ускорения работы лимфатической системы. Если это делать нет возможности, то хотя бы интенсивная ходьба не менее 40 минут в день. Питьё чистой воды, и фитотерапия с кровоочистительными сборами. Исключить мясо-молочную продукцию, быстрые углеводы, 5-6 разове питание, по большей степени растительное. И восстановление будет протекать намного легче и быстрее.
Дандорф Валентин Владимирович: (эксперимент с семенами) Из эсп. видно, что тор оказывает точечное воздействие... Очень узкое.. В середине. Катушка - широкое.
Андрей Шмидт: Киста молоной железы. Работал 1 час всего. Через две недели позвонили сами говорят не могут нащупать. Пойдут узи делать искать её.
Андрей Шмидт: Девочка 1.5 года планировали ложить в больницу. 2 раза по полчаса плоской - на утро много соплей но хорошее настроение. не положили.
Андрей Шмидт: Бронхиальная астма : парень работает футбольным судьей, нормативы высокие физические, много бегает. Нервы физ нагрузка вызывали удушье. После плоской катушки 1 час сидел все это пропало. Сама по себе астма заболевание в основном психосоматическое, т.е. идущее от головы. Как Мишин и говорит, эта дурь выдувается с тела быстрей всего. Так и вышло у него.
Андрей Шмидт: Полная женщина. Средний рост, вес 150 кг. Проблемы с давлением. Работали 5 дней подряд плоской на груди. Давление восстановилось с первого же раза в норму 130-92. Купила сама себе г3-112 со встроенным усилком за 35 рублей и имеет в пользовании только бублик. Каждый день прикладывает его в область поджелудки. Пропал жор, холодильник спит ночами. Худеет по 300-500 грамм в день. Не видел её пару недель, передаю с её слов.
Evgeny: спец.ветка для результатов http://x-faq.ru/index.php?topic=4038.0
levoleks: Выложил сегодня в ВК http://vk.com/doktorlev ссылку на скачивание файла с рекомендациями А.Мишина по медицине за период с ноября 2015 года по сегодняшний день.
Аркадий: А аллергия лечится?
Александр Мишин: это ближе к аутоимунному заболеванию по принципу работы, процесс комплексного восстановления организма уберет и аллергические реакции (проверено на своем сыне)
Romualdas Karklis: A pro hepatit B2 bilo ? Ctoto ja nepomniu . Sin u druga boleet.
Александр Мишин: Сейчас работаю с ДЦП (знакомому 38лет) и у него же геппатит С... левая нога была практически не управляема, переставлял как протез... на 3й день ушли ощущения что что-то мешает при ходьбе, за неделю восстановилась работа сердца и печени (были мелкие проблемы), через 5 дней он уже смог немного шевелить пальцами ноги, но всеми сразу... сейчас он позвонил, сказал, что начинает чувствовать всю ногу, что она не верно согнута и уже мозг пытается ее выпрямлять при хождении... после 38 лет застоя в мышцах эти процессы восстановлению вызывают не большие болевые ощущения... более подробно по геппатиту сказать не могу пока, отчасти его можно отнести в раздел вирусов, которые могут сидеть в организме достаточно долго, даже при обработке статикой... думаю что потребуется некоторое время на его вывод.
Валерий Серовский: жена интересуется, нельзя ли статикой воздействовать на луковицу волоса, чтобы не росли больше на ногах? Вместо эпиляции?
Александр Мишин: маловероятно )
Андрей Шмидт: вобщем по мужику на фотках расклад такой: начали работать 5 марта, приложили первый раз бублик очень заболела голова. Тут же положили на почки боль сняли головную и затем тем же бубликом работали прямо по опухоли. Плоскую применяли редко. В первый день перестали колоть ему обезбаливающее уже. Через день температура тела стала 36.6, была 35. Появился аппетит и психологичский перелом. Он начал планировать дела на будущее, это, пожалуй, самое важное. При работе из опухоли вытекала постоянно слизь. ЛОпаются белые такие шарики и оттуда вытекает слизь ручьем. Опухоль начала болеть, но он терпит ниче не ест обезбаливающего. Пьет много воды. Из всего запрещенного только кофе кружку пьет в день. Моча у него щас коричневая стала. Ест 5 раз в день и чето пытается делать в своей мастерской. Короче проходит всё.
sergeyomel: Решил механически получать статику поглаживанием не подключённым тором (ТМА) об своего кота... Первый раз видел такого довольного своего кота... специальные чесалки для котов отдыхают :D
Александр Мишин: тут будет хорошо работать плоская закороченная емкость по входу :) (тут описал)
Вадим СЭ Алтай: В помощь начинающим заработал Чат по намотке катушек: https://join.skype.com/oYQDiaxcmYAf
al.mar: из таблицы, по лечению диабета не совсем понято. что куда прикладывать? и по сколько времени сеанс ?
Александр Мишин: у инсулинозависимых сразу будет бросок сахара...время использования по самочувствию
Victoria: По диабету расскажите пожалуйста ещё Александр... после снижения уровня сахара, идёт ли речь о восстановлении функции поджелудочной железы?
Александр Мишин: конечно. Тут многое по времени восстановления зависит от конкретного случая и "запущенности"
Александр Мишин: вчерашний случай: женщина час на плоской, принимает инсулин, избыточный вес - сахар взлетел с 8-ми до 16.4, инсулин не стала колоть, к утру упал до 12.3, чувствует себя в целом лучше, повторный час уже не было такого броска сахара... вся проблема в искусственном инсулине, он осаживает сахар в жировых тканях, а не расщепляет его.
Victoria: пожилых людей в медицине уже не принято подвергать серьёзным воздействиям, т.к. многие болячки уже скомпенсированы, и страшно расшевелить, как справится у них организм с выводом накопившейся дряни за 80 лет жизни, есть ли опыт такой?
Александр Мишин: если не предсмертное состояние, то справляется организм достаточно хорошо, улучшения наблюдаются через 1-2 недели обычно
Александр Мишин: если совсем плохое состояние, то вероятнее всего просто обезболит
Михаил Фатеев: Как офф. медицина реагирует?
Александр Мишин: сами доктора начинают пользоваться для себя и знакомых, а остальных пока склоняют к "здравозахоронению"
Victoria: ещё вопрос по атеросклерозу... я правильно поняла, что катушка все мелкие холестериновые бляжки, залежи в сосудах убирает?
Александр Мишин: да, они будут медленно растворяться, даже если 3-5 раз по часу и потом не использовать... весь процесс займет до полугода
Сергей: Александр, на видео вы показывали что электростатика вращается в ДМА на разных диаметрах, создавая спектр. Также сказали что скорость вращения равна скорости света. Значит частоты статики лежат в диапазоне 7-70 см?
Александр Мишин: это не вытекает из геометрии )
free energy: Александр а недостаток связан с сильной посадкой? Амплитуды синуса. Или же искажения (это вопрос про народные генераторы)
Александр Мишин: Синус тока стабилен, но при нагрузке прогибается синус напряжения, что не позволяет набрать нужную мощность... сегодня уже скорректировано, вечером увижу осциллограммы.
Slava: Александр, хотел уточнить, как лечить гипертиреоз ну и как следствие тереотоксикоз? Как убрать избыток гормонов?
Александр Мишин: Это связано с гипер функцией железы для конкретного гармона... с большой вероятностью проблема именно в этом месте и будет
Slava: Это гиперфункция щитовидной железы. Чем ее лучше лечить? Плоской катушкой, или тором?
Александр Мишин: тором. Можно и так, по 30 мин утром и вечером, пока не возникнет обострение
Slava: Сейчас как раз сильное обострение. Человека „колбасит“ целый день, можно ли при таком обострении щитовидку лечить?
Александр Мишин: что конкретно кроме выделения гармонов в стадии обострения?
Slava: Человек чувствует ужасное беспокойство, раздражителен, плохо соображает, давление и сердцебиение повышены
Александр Мишин: плоскими на поясницу недельку, а потом уже тором конкретно на щитовидку
Александр Авилов: Возможны ли негативные эффекты от действия (правильно настроенных) катушек, при работе с маломощными генераторами (usb)? Другими словами если не хватает мощи.
Александр Мишин: он просто слабенько будет действовать
serj.zavrin: с 4й стадией рака есть перспектива?
Александр Мишин: да, особенно если химий не было. Последовательность лечения одна и таже, неделю на плоских, потом конкретные места торами... частоты не имеют значения сильного
Анатолий: В ходе эксов, заметил необычный эффект с диском: незамкнутый изолированный щуп осциллографа располагаю в близи тела
(в кармане, в руке), а диск перемещаю по телу, то осциллограф показывает максимальные и минимальные всплески в одних и тех же точках тела. Этакое поглощение поля какими то органами. Светодиодный индикатор этого эффекта не обнаруживает. Ваше мнение по этому поводу хотелось бы узнать.
Александр Мишин: "Этакое поглощение поля какими то органами". Нет, это меняется дальность и угол плоскости катушки... если крупная болячка, то она конечно приглушит амплитуду, но точность измерения таким методом совсем низкая.
Анатолий: Дальность и угол - относительно чего, ведь когда катушка неподвижна, а щупом водишь по телу - ничего не меняется?
Александр Мишин: щас проведу дополнительные испытания...
Александр Мишин: ничего выдающегося ... НЧ фон и ВЧ наводки, измерения при чувствительности 0.5в на клетку...единственное что четко прослеживается - меньшая амплитуда шумов у болеющего человека, но это видно при касании тела щупом
Денис Б: Александр подскажите, в видео Седого есть дма на 500 кгц ,его можно использовать?
Александр Мишин: до 1500 кГц можно, но эффективности не прослеживается свыше 400
Vlantag 61: Александр, подскажите: женщине 50 лет. Диагноз - гистиоцитоз икс с изолированным поражением легких. Буллезная эмфизема. Систематический спонтанный пневмоторакс. Можно ли помочь и как правильно действовать?
Александр Мишин: причину проблемы трудно определить, вероятнее всего осложнения от предыдущих залечиваний чего-либо, почистить организм и должно все восстановиться
denniko2: как применять диск или бублик не зная диагноза, но зная какой орган хандрит?
Александр Мишин: мы еще можем и не знать причины почему он хандрит :) поэтому на плоской катушке можно и 2 недели провести по часу в день в качестве профилактики, а потом уже тором на то что осталось )
Александр Мишин: [23 марта 2016 г. 19:25] Геннадий Белужкин: Александр, хочу поделиться опытом, при использовании катушек результат от применения можно ускорить. Можно значительно увеличить скорость выведения мусора из организма при использовании катушек. Для этого нужно ускорить кровообращение во всем организме и в местах обработки. Для этого достаточно от 30мин до 1ч (1ч более продуктивно) быстрой ходьбы (не бега) и массаж в виде гимнастики этого места.
Александр Мишин: у швов только рубцовая ткань начинает убираться... а нормальная на этом месте восстанавливается
sat-agent: Александр, подскажи, диском пользуюсь уже месяц. Вначале подлечился сам, до нового года сдавал все анализы (были соли оксалаты в почках и высокий креатинин), за пару недель всё пришло в норму. Теперь лечу жену, тёщу и бабушку соседку. Так вот в последнее время я стал этот свой диск ощущать на расстоянии до 3 метров, у меня во рту появляется металлический привкус, как только включу через минуту и появляется. Хотя у меня диск в принципе и не такой мощный. Эмаль провод 0.8 мм, амплитуда 5 вольт от пика до пика при имплозии, чистый синус без прогибов, частота 310 кГц. В чем причина привкуса во рту, были ли у кого ещё такие проявления.
Александр Мишин: Да, металлический привкус во рту ощущают многие люди у которых есть нарушения выработки ферментов для ЖКТ... твои ощущения пройдут через месяц примерно :)
levoleks: питание от импульсных блоков питания, типа зарядных устройств... Вы как-то негативно отзывались об этом питании.
Александр Мишин: можно и от импульсников запитать, главное чтоб помеха не летела в токовый синус... тут вопрос качества БП.
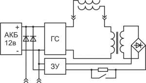
Александр Мишин: вот блок-схема, думаю рукодельникам понравится )) если применить 2 аккумулятора в системе, то можно расход свести почти в ноль
(ГС - генератор синуса. ЗУ - зарядное устройство, любое исполнение. Трансформатор должен быть в режиме холостого хода, т.е. с минимальным пропусканием по первичке без нагрузки, обмотки на нем сразу бифом мотаем на ферритовом кольце, на стержнях хуже работает)
free energy: Трансформатор тока на чем выполнен?
Александр Мишин: там нет трансформатора тока
Александр Мишин: самый простой вариант питать от одного акума и заряжать второй :) потом чтобы менялись местами. Сколько уйдет на зарадку по мощности, столько и выделится в статику, в итоге лечение в подарок :) т.е. управление баластной нагрузкой
alges83: при такой схеме питание катушки из синуса превратится в меандр или тому подобное
pcf1ru: усилок должен хорошо держать емкостную нагрузку , да и сама катушка не будет блестать характеристиками тк намотана обычным проводом. из за переполяризации "изалятора конденсатора" катушка греться будет , те потери . => еще сильнее прогибы синуса да еще и индуктивность катушек... но в целом не думаю что это критично - хотя про критичность формы синуса пусть лучше Александр выскажется
Александр Мишин: Многократно писал - самое важное чистый токовый синус по питанию, без вч гармоник сильных. Мелкие шумы могут присутствовать, это сами полупроводники своей емкостью дают
alges83: при этой схеме точно не будет чистого токового синуса
Денис Горелочкин Кузнецк: боюсь, что индуктивность трансформатора испортит синус
Александр Мишин: вы не бойтесь, а пробуйте делать... при мощности стандартного генератора проверял - все работает, а если появились искажения - думайте что к ним привело в емкостном режиме
Александр Мишин: сразу не пытайтесь на вход только завернуть...изображена именно блок схема, а про 2 акума писал выше...
Александр Мишин: фотки по прорастанию семян? сегодня идет 5й день всего :) пару раз по часику плоской катушкой обработаны:

Александр Мишин: земля просто с огорода
Александр: как вдальнейшем обрабатывать катушкой растения, например в теплице, или это в дальнейшем не нужно?
Александр Мишин: по 20-30 минут в день даже в парнике думаю дадут очень хороший результат, плоскую в парник на центр, у нее радиус 5-6 метров )
luka5242: Саша , частота была до 300кГц или выше.?
Александр Мишин: 333 кГц у меня и плоская и бублик намотаны
Александр: а если по центру, то какая мощность должна быть, если она работать будет на расстоянии 2-3 метра над растениями?
Александр Мишин: даже стандартного гена хватит
Александр: получ можно всего несколько катушек на длину 50 метров подвесить и с одного генератора через усилитель обрабатывать, я правильно все понял?
Александр Мишин: да, желательно использование одного генератора
Михаил Фатеев: Александр, а каков механизм воздействия на семена, какие процессы происходят?
Александр Мишин: могу только одно сказать - убирание кольцевых вихрей
Александр Авилов: Александр, посоветуйте книги по тематике и для общего развития, то , что читаете Вы и то, что на Ваш взгляд необходимо и важно.
Александр Мишин: Шаубергер - Энергия воды
Михаил Фатеев: И еще вопрос по заболеваниям. Кто нибудь пробовал лечить варикозное расширение вен?
Александр Мишин: все кто пользовал катушки )) у некоторых мелкая сетка на следующий день исчезала)
Александр Cмагин: бабушке 82 теряется может уехать в другой район, и не помнит где, что откуда. пробовали ли вы это поправить?
Александр Мишин: пробовал на подобных случаях, ясность ума чуток появляется в течение недели
nata.flamelove: на второй день использования тора и плоской катушки стала подниматься температура, ломает тело, знобит, очень хочется спать. Тор и катушка чередуются, использование два-три часа в день... После тора температура востанавливается... На следующий день опять поднимается, 37.3-37.7. Нужно ли сделать перерыв или можно продолжать лечение дальше?
Александр Мишин: нужно в кроватке переболеть это обострение, все отлично у вас идет на выход глубинная болячка :)
Михаил Фатеев: Александр, вопрос по частоте плоской катушки, какая оптимальная из опыта?
Slava: 285 KHz
free energy: Экстрасенсы говорят 310
free energy: т.е. лучше выше 300
Evgeny: 280-320 кГц тот диапазон от которого кошки тащатся ) Ниже 250 и выше 400 теряется эффективность и коты от них могут убегать
free energy: 290-299 не хороший диапазон
Александр Мишин: диапазоны частот описаны в докладе по медицине (270-380кГц)
boris shamonin: Следует ли потключать генерратор через стабилизатор напряжения сети?
Александр Мишин: нет, это почти ничего не даст
Александр Мишин: напечатали оснастку, теперь изготовление одинаковых бубликов очень простое :) примерно 300 кГц при 15-ти метрах длины витой пары. 25 мм - центральный диаметр, диаметр сечения 20 мм
boris shamonin: Детектор milli gauss показывает в плоских катушках расположенных горизонтально величину магнито-электрического поля в 2 раза больше, по сравнению с её вертикальным расположением не меняя частоту и амплитуду. Почему??? Проверял на 3-х разных катушках.

boris shamonin: Вертикально 7 см. Горизонтально 20 см. Это показания детектора в зависимости от расположения катушки. Без рулетки тоже самое. Рулетка для наглядности.
Александр Мишин: спин каждой катушки складывается в общую систему (как я понимаю, спин нашей планеты накладывается)
boris shamonin: Мой вывод,-в горизонте катушка работает лучше,я давно это заметил.
Вадим СЭ Алтай: А что по «датчикам поля» на светодиодах?
boris shamonin: У меня такого нет ,но думаю на много больше.
free energy: Датчик делается очень просто для любой катушки, в минусовой вывод катушки врезается резистор на 0,1 ома, с него операционником усиливаем в 100 раз и на светодиод. Я на линейку светодиодов пустил, и сразу знаю что когда горит три светодиода значит 100 ма (имплозия). И резонанс знаю где очень точно. Если уйдёт частота, то светодиоды потухнут
я-свет.рф Евгений Свет: Вопрос по онкологии. Человек спрашивает есть ли результаты у кого то и как можно лечить? Больная мать.
Александр Мишин: Про это подробно в последней конференции рассказывал...

Romualdas Karklis: A vot i dlia ploskih
Александр: Подскажите, что будет, если взять два бифиляра из провода 0,2 и намотать из них плоскую катушку?
Александр Мишин: ну попробуй намотать такое чудо ))
Александр Мишин: как лучше расправиться с грибком ногтей на ногах? организм чистишь - поднимается иммунитет, а грибок тором.
Сергей Половинка: Есть ли опыт воздействия на катаракту (родственнице настоятельно советуют операцию по замене хрусталика) ?
Александр Мишин: есть, процесс идет медленно, но все кого не спрашивал, отмечают улучшение
nata.flamelove: К температуре добавилась сильная головная боль, вернулись боли, увеличился и стал болеть лимфоузел. Я понимаю что это это активизировался иммунитет... Странно то,что сейчас, от применения катушки и тора внутри начинается сильное жжение... Это нормально? Сегодня пятый день лечения... И можно ли пить обезбаливающие препараты?
Александр Мишин: конечно, если сильные боли возникают можно принять обезболивающее
Александр Мишин: а в целом нужно переждать обострение, помогая организму народными методами, потом продолжить катушками
ewgen11e: пейте больше воды. мягко стимулируйте почки и печень
Александр Мишин: все верно!
nata.flamelove: Воду пью 2 литра в день... Пугает жжение внутри... в местах прикладывания тора и катушки.
ewgen11e: можно стимулировать лимфодренаж. применяйте сироп коря солодки по инструкции. она стимулирует выведение токсинов через легкие
nata.flamelove: С Оганян знакома... вегетарианец сыроед... Часто глодала по Оганян и на сухом...
Александр Мишин: жжение внутри в местах прикладывания тора и катушки - с большой вероятностью это гнойники
nata.flamelove: После перелома шейного отдела позвоночника наступил частичный паралич, может ли в этом случае помочь статика (восстоновить нервные окончания)?
Александр Мишин: в мягких тканях уже есть случаи восстановления связей нервных окончаний
КостаМ: медленная скорость разрушения зацикленных образований связанна с тем что после отключения ТДМА элементы учавствующие в образовании вновь образуют её, но уже в меньшем количестве (так сказать переходят на энергию меньшего порядка, диаметр уменьшается). Это связанно с тем что среда в организме вязкая и элементы далеко нерасходятся, а те что неучаствуют в процессе зацикливания выводятся наружу организма через почки или кожу. Поэтому нужно проводить процедуру несколько раз и мягко, не нагружая сильно организм (почки) и при этом пить больше воды... правильно?
Александр Мишин: тут каждый организм сам способен чувствовать с какой скоростью выводить
nata.flamelove: Через кожу тоже пошло... экзема на руках вылезла...
сергей трибунский: На "глазок": четко указано на отсутствие отрицательной динамики за 2 месяца, субъективное улучшение самочувствия тоже много стоит, новые очаги не растут, пневмонии, которая часто развивается на фоне рака легких как вторичная не появилось, а картина "эмфиземы" - так такая у многих курильщиков и без рака может быть. Это просто мое мнение, не пульмонолога. Конечно если паталогоанатом продвинутый в своей пытливой работе и при секционном исследовании сравнивает картину МРТ и результаты гистологии - скажет больше.
Олег Жуйков: У меня НЯК, диагноз поставлен в сентябре прошлого года, два очага поражения по 15 см. С момента выявления находился на медикаментах, иначе при отказе наступало обострение с болью и кровью. Слежу за Вашими семинарами уже два года, поэтому вашу теорию понимаю хорошо. Изготовил катушку на грампластинке проводом 2,5. Характеристики получились 700кГц, пиковое напряжение 10 в (больше не выдаёт частотник), рабочее меньше 1 в. После первого применения длительностю 30 мин. симптомтаматика позитивная: исчезла боль в коленках, в толстой кишке, улучшилось цветовосприятие, моча стала прозрачной, появился аппетит, с калом выходила жуткая зелёная вонючая гадость. Второе применение через день, также 30 мин.: потемнела моча, кал стал нормального цвета, повысилось артериальное давление 170 на 110, заболели почки, аппетит прежний, стала уходить жировая масса при приросте мышечной. Третье применение через день, поработал по почкам по пять минут на каждую, боль ушла, давление не уменьшается (я гиппертроник 2 степени, обследования не выявили патологий, сказали передалось по наследству), принимаю таблетки от давления, но они сейчас скидывают давление максимум на 20 единиц ,пока прекратил процедуры. Александр, что можете посоветовать? Заранее благодарен
Александр Мишин: давление постепенно нормализуется, а в целом верно продвигаешься к выздоровлению... после возникновения обострений нужно пережидать пока организм восстанавливается :)
Олег Жуйков: Может побробовать намотать катушку с другой частотой?
Александр Мишин: https://yadi.sk/i/WKZNRivOpruhs
Александр Мишин: у тебя генератор не вытянет совсем
Курочкин Леонид Михаилович: Александр. А частота не высокая ли (700 кГц)?
Александр Мишин: высокая, может начинать задевать нормальные клетки
Олег Жуйков: Александр, может всёже не стоит работать с такой частотой?
Александр Мишин: так можно спустить на 300 кГц ))
Vlantag 61: У женщины рак легких. В течении месяца проходим лечение ДМА с промежутком на химию. По ощущением динамика очень положительная. Исчезли боли, стала свободно дышать, повысилась работоспособность. Внешне никаких проблем. Параллельно исчезли проблемы с почками, сердцем, поджелудочной железой и желчным пузырем. Сейчас прошла все подтверждающие анализы. Но вот вопрос по МРТ: прикладываю фото со старым и новым диагнозом. Врач указывает появление пневмосклероза и эмфиземы. Однако никаких симптомов такого рода болезней нет. Даже наоборот. Полное отсутствие одышки, кашля и т.д. Можно ли оценить почему поставлен такой диагноз и как к нему относиться?
Александр Мишин: Отправил данные патологоанатому... ждем его комент ))
Александр Мишин: [26 марта 2016 г. 20:11] Баданов Михаил Павлович: Вопрос по пневмосклерозу и эмфиземе лёгких. Ответ: пневмосклероз есть и был на обеих КТ. На первой (ранней) КТ он описан словами " в задне-базальных отделах лёгких тяжистый фиброз" - он и есть пневмосклероз. Просто он не вынесен в Заключение. Эмфизема лёгких (буквально - "вздутие") очаговая - это компенсация ткани легких в целью нормализации дыхания, поэтому и стала свободно дышать... В данном случае, в сязи с применением ДМА имеем только положительную динамику. Просто во втором случае КТ было уточнено Заключение в части пневмосклероза, который тоже был ранее, но, благодаря ДМА лёгкие частично компенсировались очаговой эмфиземой. Она бывает временная. Либо второй КТ снимок был сделан в момент очень сильного вдоха, благодаря возросшим возможностям легких от лечебного действия ДМА.
Александр Мишин добавил Баданов Михаил Павлович к этому чату
Александр Мишин: Прошу любить и жаловать, наш лечащий патологоанатом (судмедэксперт) :)
Баданов Михаил Павлович: Здравствуйте все!
(все здороваются)
Александр Авилов: Михаил Павлович, пользуетесь?
Баданов Михаил Павлович: Да.
Alex K.^ZHmyp IK.: Женщина, 56лет, в конце 90х начале 2х тысячных, рак груди был, здесь в смоленске подлечили, что-то вырезав, что-то попортив, несколько лет назад стало плохевать, появилась жидкость в легких, запозднили мы в больничку и в итоге метастазы по легким и по соседним органам, полтора года химии, сейчас состояние стабильное, живет жизнью, хуже не становится, но зараза сидит там, она на гормональных препаратах ща. Стоит ли после долгих химий мучать человека данными дисками и тороидами?
Баданов Михаил Павлович: непросто дать ответ. С одной стороны, то - что не беспокоит и в принципе даёт жить - лучше "руками не трогать" при условии, что "оно" стабильно. И при этом "о нём" ситуация известна и "оно" находится под контролем. Действительным контролем. Но. Если есть смелость на долю риска по "сдвигу" процесса в сторону излечения, то нужно решить - как быть? Рисковать или нет. Ответ здесь такой: нужно прикинуть "остаток резерва" оставшихся сил, которые, в случае чего смогут откатить организм в сторону оздоровления, при соответствующем правильном способе лечения (оздоровления). Так как даже начало сдвига в сторону улучшения, временно вызовет состояние неустойчивости в организме. Оценить резерв сил даже по иммунограмме непросто. Иммунологи не знают как.
И ещё. По-видимому, решившись на оздоровление катушками, первые несколько дней нужно будет и мониторить и, очевидно, несколько раз в сутки проводить сеансы. А для этого нужно быть готовыми как пациентке, так и "оператору". Зато труд будет вознаграждён выздоровлением. Попахать конкретно придётся.
я-свет.рф Евгений Свет: У человека проблема по щитавидке. У матери Зоб щитовидной железы на операцию предлагают лечь. Может ли тор или плоская катушка помочь избежать операции?
Баданов Михаил Павлович: Конечно да. На том и стоит имплозия. Но нужно уточнить - что в щитовидке? Плюс ткань или минус ткань. То есть, скажем опухоль (плюс-ткань) или противоположный процесс (атрофия. дистрофия, некроз и т.п.) или воспаление?
Евгений С.: Михаил Павлович, а узлы в щитовидке, как понимаю, это ткань? Или паразиты какие-нибудь?
Александр Мишин: это опухоль - она будет разжижена статикой :)
Баданов Михаил Павлович: Согласен. Киста, например, может быть и минус-тканью. А - тоже узелок, но как бы "наоборот", то есть минус-ткань " в мешочке" - в капсуле кисты. Например, киста, заполненная жидкостью..
Евгений С.: Ясно... А с "минусами" катушки не сильно помогают?
Баданов Михаил Павлович: Подход разрабатывается. Верно. Это "высший" пилотаж. В своё время, я полагаю очень недолго ждать, я дам Вам (вам здесь) такую информацию вместе с Александром Мишиным. Мы работаем над этой "темой". Нас уже "оправдывает то" что имплозия радикально оздоравливает при раках.
сергей трибунский: Вопрос о наблюдениях и опыте применении катушек при химиоустойчивых формах рака, в частности мукоэпителиальный рак протока слюнной железы (личная проблема)
Баданов Михаил Павлович: Сергей, я рекомендую Вам избавиться от него имплозией. Не вижу никаких проблем. Тем более в вашем случае. :)
сергей трибунский: К сожалению 3 операции "за бортом", похоже скакануло в средостение и в височную ямку мозга на 1,5см диаметр, да заглоточный узел 2,5 см (достать не могут). Решил как получу генератор - начну со средостения вначале, а далее как пойдет (информацией конечно буду делиться, т.к. эксмедик)
Баданов Михаил Павлович: Эксмедиков не бывает, коллега. Два генера рекомендую: аналоговый одноканальный и цифровик двуканальный. Гарантия убойности против опухолей. Не тяните, если решили. Хуже никак не будет. Мой опыт это подтверждает. Как медик, я не верю своим глазам: третьи и четвёртые стадии и степени у моих клиентов конкретно отступали... а состояние от средней тяжести клиента уходило на удовлетворительное за 4-5 дней... Но первые 2-3 суток я не спал почти: клиенты получали процедуры 4 раза в сутки по 2,5 - 3 часа за сеанс... Я такого эффекта никогда в жизни не видел...
Курочкин Леонид Михаилович: а какой алгоритм лечения и чем (тма, дма) проводили?
Баданов Михаил Павлович: Использовал и то и другое.
alskis: Михаил Павлович, а с черепно- мозговой травмой как быть? Давно была, только эпи- припадки порой морочат голову, да и так по мелочам разным... Да, вот там сейчас киста образовалась (после удаления части серого вещества)
Баданов Михаил Павлович: Удалили Вам видать не то и не там. Случай непростой, Надо подумать. Думаю, подход нащупаем. Давайте, всем - до завтра! Постараюсь не делать отписки. Если хотите конкретику, то, пока думаю, чтоб "с головой не завалили", - на облака закидывайте без ФИО и персон. инфы ваши "случаи", где нужно оздоравливать до нормы... В этом случае конфиденциальность и персональность будет сохранена, с одной стороны. а с другой стороны, все, и мы с Александром Мишиным, реально будем обговаривать и рекомендовать режимы работы катушками по оздоровлению в каждом конкретном случае. А все другие, наравне с нами также будут видеть - как мы решаем вопрос оздоровления по каждому человеку " в прямом эфире" коллегиально. Ничьи Права и никакие законы при этом не будут нарушены. И в тоже время очень быстро и конкретно будем решать практические вопросы оздоровления нездоровых людей до Нормы здоровья, не разглашая их персональные данные. А иначе будут неконкретные разговоры: всё и ни о чём.
Курочкин Леонид Михаилович: Михаил Павлович. У отца (66 лет) все началось с простатита. Потом диагноз, рак простаты (гормональный). Удалили яйца, в надежде остановить распространения. Но метостазы появились в левом 4 ребре ( рядом мягкие ткани), 3-4-5 позвонок грудного отдела (между лопатками боли). Ногами не двигает, но ощущения есть (чувствует прикосновения, щекотку). Изготовил диск (на двп) из лакеровоного провода 0,5 мм (частота 304 кГц, 20 вольт). Прикладываю к проблемным местам по 1-3 часов, примерно дней 10. Бублик от случая к случаю прикладываю (по моим ощущениям эфекта меньше). Результатов нет. Химию делали два раза. Обезболивающие (морфин) каждые 6 часов колим. Ваши выводы? Подскажите методику лечения и чем (диск или тор)? (как поднять на ноги и не только)
Александр Мишин: Возможно уже терминальная стадия... процессы регенерации после химии почти остановлены.
Курочкин Леонид Михаилович: Т.е. что либо делать бесполезно?
Баданов Михаил Павлович: Есть один подход в имплозии: он только нами разрабатывается: в тяжеленных случаях типа терминальных стадий, можно выиграть у смерти всю войну, если применять установку "временных границ" или метод "временной изоляции" на теле пациента, круша опухоль не сразу и во всём измученном болезнью организме, а используя "временно оккупированные территории организма", в которых умно, упорядоченно, "друг за другом", то есть последовательно по областям - уничтожать "врагов" - опухоль. Так можно победить болезнь даже малыми силами, и при очень слабом организме. Но нужно действовать очень умно и у меть "делить организм" на зоне временной оккупации, То есть действовать "Не числом, а уменьем", как говорил полководец... Леонид Михайлович. Нужно ещё применять и меандр (полусвастики. я их для сокращения называю "свастики". а их в цифровике два вида: неполная и полная...) и работать сразу по нескольким "точкам". У меня по моей практике даже с 3 и 4 стадией имелись только конкретные откаты опухолей назад. После чего все пациенты сами уезжали домой в удовлетворительном состоянии. Ну не умер у меня пока ни один пациент с раком...
Алексей: Выскочил геморрой, которого раньше не было. Сел на пару часов на тор. Распух ещё больше. На второй день ещё напару часов. Стал толще указ. пальца. С третьего дня отменил процедуры. В течении недели всё рассосалось - живу и радуюсь!
Баданов Михаил Павлович: Если вы знаете конкретные зоны рака, то вперёд! И не забывайте менять оружие во время боя, чтобы враги к нему не адаптировались: меняйте частоты в разумных пределах, типы волн (я - не электрик), в смысле - формы сигналов, применяйте катушки с разными характеристиками... Видов наездов разновидностями имплозии на опухоли не мало...
Школа Самоисцеления: [27 марта 2016 г. 21:03] Баданов Михаил Павлович: если применять установку "временных границ" или метод "временной изоляции" Отличная теория и подход!
Школа Самоисцеления: [27 марта 2016 г. 18:36] Курочкин Леонид Михаилович: Т.е. что либо делать бесполезно? Леонид у вас и вашего отца много шансов. Сейчас вы получили возможность применять методики Александра Мишина. Дай Бог ему удачи во всем. Не хватит слов что бы выразить ему благодарность за его миссию. У него отличные коллеги. Болотов вообще не считает рак бользнью. Применяйте методику Болотова в добавок. Проверьте настройки ваших дисков. Все вместе поможет. Выигрывайте время. Алексанрд еще далеко не все выдал на белый свет будут еще методики повышающие энергетику нашего организма. Примеяйте в добавок Витом в полной дозе. Я говорю все из своего опыта на себе и тех людей которым приходилось помогать. Еще технологии сознания. Не закисать!
Курочкин Леонид Михаилович: Не будем киснуть. Если бы он еще хоть слушал немного и верил. А то привык как все только лекарства и ничего больше.
Александр: это самое сложное в лечении всего
Баданов Михаил Павлович: [27 марта 2016 г. 18:36] Курочкин Леонид Михаилович: Т.е. что либо делать бесполезно? Ув. Леонид Михайлович, у меня такой же генер как и у Вас плюс двухканальник цифровой. Конечно Вам очень непросто с вашим отцом. Но скажу: нужно даже с одним генером попытаться отвоевать его от смерти. Нужно: 1. работать не покладая рук: генер и катушка должна работать часов по 12 в сутки: то есть часа по 3 через каждые 3 часа. 2. Этот генер даёт больше чем 20 вольт. Это нужно использовать. 3. Чередовать плоскую и бублик местами, частотами и режимами. сделать новые кати с отличными частотами от тех. что есть. и их использовать тоже. 4. Менять места расположений кать. 4. нужно активировать тело: массажами, массажами кишечника, переворачивать. Побуждать не только к лежанию. 5. Да, весь организм ослаб. Следить за полноценным питанием. Обеспечивать свежим воздухом, но не простудить. Свежая вода. Ключевая или родниковая. Баланс воды. Хорошо поить, но без отёков. 6. Помнить, что сеансы имплозии убивают тысячи раковых клеток. Вместо них нарождаются новые из-за патоморфоза рака химией. (Патоморфоз = изменение генетика рака из-за лечения "химией".) 7. Добиться количественного перевеса: уничтожать больше, чем их нарождается. 8. Бить вначале по важным целям (кости, простата). затем по метастазам. То есть на важных - экспозицию делать дольше. 9. Помнить, что имплозия быстро "съедается, расходуется" раковыми клетками, от которой они дохнут. Поэтому имплозию делать часто, в отличие от "здоровых", в телах которых имплозия ищет - куда бы потратится... Менять, чередовать режимы "синус" и "свастики" (меандр). Работать 24 часа в сутки. Подключите родственников "к службе" включения и выключения кать и их перестановке. "Запутайте" неожиданностями режимов имплозии раковые клетки. Их пока всё равно меньше, так как организм жив. Если есть возможность почередуйте пенные кислородные и водородные коктейли внутрь (на сладких сиропах или яичном белке) Раздельно! Техника безопасности по этим газам! Водород способствует регенерации, кислород - сжиганию "отбросов", их нейтрализации и выведению. Справка: у мужчин - яички. У женщин - как раз яйца (яичники, плодное яйцо и т.п.). С уважением.
Баданов Михаил Павлович: а с черепно- мозговой травмой как быть? Давно была, только эпи- припадки порой морочат голову, да и так по мелочам разным...Я считаю это прямым показанием для имплозии. Имплозия рубцов не даёт, а их рассасывает. Кисты также рассасывает. Эпиприпадки = очаг патологического возбуждения в головном мозге. Сама минус-ткань головного мозга не может быть причиной и источником эписигналов и припадков. Имплозия помогает регенерации. Но всё же, пока выходит, что за регенерацию отвечает всё-таки сам организм. Ищем, чем ещё помогать регенерации. По расчётам - должны помогать регенерации водородные коктейли внутрь (протоны водорода - универсальный биологический строительный материал), а не кислородные. В самое ближайшее время я это испытаю.
Баданов Михаил Павлович: По-моим наблюдениям: бублик лучше бьёт (косит, убивает раковые клетки). Плоские лучше помогают для регенерации. Поэтому плоскими работаю там где нужна "мягкая сила", а бубликами - где "жёсткая сила". Синус использую там - где нужно нежно восстанавливать, свастики (меандр) использую там - где нужно "очистить". Сразу после свастик работаю синусом. Нужно видеть - когда делать или то или другое.
Владимир Степанов: Михаил Павлович. У меня вставлен кардиостимулятор, у которого батарейка скоро сядет.Как вы считаете, стоит применять электростатику, т.е. катушки? Правда выбор всегда остаётся за мной.
Баданов Михаил Павлович: Итак. кардиостимулятор. Для сердца он, Владимир, - своеобразный костыль = некий "насильственный" водитель ритма. Работы по управлению сердечного ритма имплозией только начались. Пока никаких ответов нет. С уважением.
Баданов Михаил Павлович: Если процесс в 3-4 стадии (степени), то надо пахать над больным человеком. Пахать надо над ним круглосуточно, особенно первые несколько суток. Я так делал. И "оно" всегда пятилось назад... Надо очень "рогом" поупираться, чтобы начать откатывать назад рак... Надо его именно выжигать, активно убирать имплозией. И в таких случаях - особо не рассчитывать на ответ организма в виде регенерации особенно в первые дни борьбы... "Оно" особо назад не пойдёт, если раз-два в сутки "по обещанию" делать сеансы по часу...
Баданов Михаил Павлович: Видел здесь мнение о меандре и расплавленной "на нём" катушке. Имплозионные вихри - это не СВЧ-печка, а значит, не видится правильной работа катей, которая в меандре расплавилась... Приметил я вот что: если работы много для кати в данном теле пациента, то пациент может ощущать тепло, а если мало работы - то холод. Но, нужно это ещё проверять... С уважением.
kpemehb_: Михаил Павлович, обратилась женщина, у нее рак легких, несколько раз в год делает химию. Ей 53 года. Сегодня начнет пользоваться катушками. Не могли бы сказать с чего и как начинать? Я планировал начинать плоской 15 мин в день, затем увеличить продолжительность до 1 часа в день.
Баданов Михаил Павлович: По моему опыту и учитывая вашу инфу: 1. она "легко" переносит химию несколько раз в год. 2. а потому ею имплозия, как сам фактор, будет не замечаться. 3. 15 минут в день - ни о чём. Сначала спросите себя: а в какие сроки Вы хотите её остановить и сломать процесс рака? Если быстро и в ближайшие дни, то начинайте максимально эффективно, например: на проекции главных очагов в легких два бублика на свастике, плюс одновременно плоская на проекцию между почками. Резон: сразу бить врага и стимулировать мочевыд. систему для выведения "продуктов" распада. иногда плоскую класть для этой же цели на проекцию печени. Сеансы не менее 4 раз в сутки по не менее 1.5 часа. Итого 6 часов в сутки, порциями.
Aliaksandr Rabau: Михаил Павлович! Может быть есть какие то схемы, советы или хотябы соображения по поводу лимфолейкоза?
Баданов Михаил Павлович: Есть соображения. Опыта нет. Сам его для себя ищу. Соображения: можно и нужно лечить имплозией. Официально: поражён т.н. "белой росток" крови. В кровь выбрасывается масса незрелых клеток. Плюс все признаки этого неопроцесса. У незрелых клеток их ДНК и ядра кольцевидной формы = объекты для уничтожения имплозией. Нужно задать (начать) "правильный росток белой крови" в красном костном мозге. То есть помимо уничтожения, нужно дать правильную свою. родную замену. Это и пытаются делать официальные онкологи: уничтожается в корне неправильный свой зародыш = свой клон таких порочных клеток и одновременно пересаживают "правильный клон" донорских клеток. А именно: бомбят химией и лучевой свой "неправильный клон" = "зародыш", пытаясь его убить. и одновременно пересаживают (подсаживают) ("как новую рассаду") донорский клон в виде пересадки донорского костного мозга. Вот это и стоит "бешеных денег": поиск донора по многочисленным маркёрам "совместимости". И здесь - главная заковыка: убьют своё, а донорское не подойдёт. И тогда в итоге - труп. А где удаётся "примирить" своих и чужих (клеток пациента и донора), там всю оставшуюся жизнь пациент или употребляет иммунодепрессанты (чтоб не истребить клетки чужого = донора, или, со временем чужой пересаженный ранее клон клеток постепенно заменяется или заменится своим, родным). И только в этом случае может наступить полное выздоровление. Это в теории, а процент излечения лифолейкозов в официальной медицине стремится к нулю. К сожалению. Потому как абсолютно одинаковых людей нет. Кроме однояйц. близнецов. Что же делать и как правильно поступать? Ответ: нужно дать "вспомнить" родной генетике родных клеток крови родного костного мозга - какими они должны быть в норме. Обоснование: ну а тело то своё родное ведь состоит из своих клеток, а не из донорских! Как "Вспомнить всё"? Ответ: оголить родную ДНК своего клона кроветворных клеток = красного костного мозга. оголить, если угодно Родовую память (здоровую) генетику в организме пациента, в его красном костном мозге. Как? Одной имплозией это сделать непросто. Но ею можно попробовать: 1. уничтожать негодные свои клетки - о-ч-ч-ень осторожно, дробно, порционно, под контролем показателей крови и красного костного мозга. 2. имплозия будет "заставлять" свои клетки крови "дозревать" в пределах красного котного мозга, и только потом разрешать их выбрасывать в кровь. (Все лейкозы = это выброс в периферическую кровь незрелых (недозревших) клеток крови, от преобладания вида которых и называют часто соответственно лейкозы. Это как детей из детского сада вышвырнуть жить самостоятельно в большую жизнь. Соответственно, незрелые клетки крови не выполняют своих функций в организме. Они должны быть ещё в "детском саду", а их уже вышвырнули "на улицу" жить. 3. Такие незрелые клетки крови в красном костном мозге генерирует "неправильный" ("враждебный вихрь") - "замкнутый" по своей природе. нужно перевести его в незамкнутый, апериодичный, как нормальная ДНК. Нормальная ДНК всегда апериодична. Геном опериодичен в норме. Об этом сказал физик Э.Шредингер. В раковом клетке геном замкнут в кольцо (ДНК замкнута в кольцо. Источник: Заридзе. Канцерогенез. стр. 97 кажись, в статье Копнина. в этом сборнике (книжке). Значит постоянно генерирующий раковые клетки "вихрь" нужно "замкнуть" и сжечь его имплозией. В этом случае сама нормальная незамкнутая (апериодичная) ДНК обязана "проснуться" начать генерировать нормальные клетки в красном костном мозге. Вот и всё. и 4. Ей нужно и можно помочь. Чем? Ответ: другой методикой. Не имплозией. Но это отдельный разговор... Извините за подробности и возможные орпечатки
Юра: возможно ли улучшить аппаратом Мишина-провисание (пролапс) метрального клапана (ребенок 13лет),г оворят что надо оперировать. Уже ставили оклюдер (10мм было)
Баданов Михаил Павлович: Можно. Обоснование: у ребёнка нет никаких проблем с проводящей системой в сердце (нет аритмий и т.п.). А есть анатомическое отклонение. Ребёнок растёт. у него растёт всё. в том числе и сердце (с его клапанами). Рост организма всех детей дискретен (стпеньками, рывочками), а не строго постоянен, как думает 99%. Это вам подтвердят Педиатры с большой буквы. Задача: нужно включить, разбудить функционирование нормальной генетики клеток, ответственных за это. Для этой цели нужно "раскрыть" потенциал нормальной генетики нормальных клеток, которых большинство в организме. Это делает имплозия. Вот в этом случае нужно использовать только плоские катушки Мишина. В мягком режиме, не часто = 1 или 2 раза в неделю минут по 30 (до полу-часа). И делать контроль пролапса мирального клапана 1- 2 раза в месяц, если это исследование неинвазивно, то есть бескровно. Нарпример, ушами опытного кардиолога (аускультацией). противопоказаний для имплозии нет. Советую. Да будет Вам Счастье!
Юра: Прямо в точку! Рост из-за гинетики связан с синдромом марфана.Спасибо Вам за вашу работу, а прикладывать к сердцу?
Баданов Михаил Павлович: Регенерация. Соображдение, основанное на работах медиков и учёных. В норме потенциал мягких тканей человека колеблется от 180 мВ (0,18 В) до 250 мВ (0.25 В) (см. работу Самохоцкого, книгу "Общая химия" Зленина. изд-во С.-П. военно-мед.академия). А потому кого интересует регенерация: не забывайте об этом. В жёстких пинках статикой и в высоком вольтаже не усматривается постоянной активации регенерации: но "пинком" её можно разбудить. А вот проводить её можно, а может быть и нужно в рамках нормального электропотенциала. А этот эл. потенциал составляет в 100 раз меньше, чем максимум вольтажа наших генеров. Быть может "выпинывать и уничтожать непрошеных гостей нужно жёстко", а вот возрождать и регенерировать - нежно, и в рамках "нормы". Слабые воздействия рулят нормальной жизнью. Но в случаях защиты или отражения нападений нужно применять временно максимальную силу и жёсткость.
Алексей Drozofil: Диагноз у моего друга - сужение сосудов головного мозга. Можно ему помочь ?
Александр Мишин: Комплексно организм почисти плоскими катушками
Slava: Александр подскажите, как будет правильнее? Начал лечить жену. (Плоская катушка на поясницу) Через 15 минут возникает сильная головная боль. Головная боль держится и на следующий день. Сразу возникла боль в левой почке. Как поступить? Дать боли уйти, или потихоньку продолжать?
Александр Мишин: почки забиты, надо тором по 10 мин им выдать... 2-3 раза в день работай в области поясницы, за недельку надо починить почки, и плоской и тором работаешь... тор для локального воздействия именно на почки, после того как болеть начинают
Александр Мишин: головная боль из-за повышающегося давления все по той же причине
Slava: Начал для нее с плоской
Александр Мишин: максимальный прием жидкости
Slava: А головную боль как-то можно быстро снять?
Александр Мишин: Да, запустив почки )))
КостаМ: Здравствуйте Александр! По возможности ответьте какое влияние будет на организм если стоит металлический протез в тазобедренном суставе? И коков риск при использовании катушки для лечения варикозного расширения вен на ногах? Заранее спасибо за ответ!
Александр Мишин: На подобные металлические объекты статика почти не реагирует, если только совсем не прижимать в упор... воздействие на организм остается нормальным
Александр Мишин: про вены на ногах, тут как бы совсем нечем рисковать... эта проблема даже не относится к вашему организму, она внутри его полостей ))
Aliaksandr Rabau: Михаил Павлович - за подробности по лейкозу спасибо. По поводу борьбы с неправильными клетками - как воздействовать когда нету четкой локализации?
Баданов Михаил Павлович: Вот здесь как раз и отвечает имплозия за поиск таких фактических локализаций, вырабатывающих неправильные клетки (раковых и иных). Она (имплозия) и ищет сама их и сама и уничтожает их. Нам (Вам) искать не нужно. Это сделает (делает) имплозия. Позднее дам соображение (аргументированное) по регенерации.
Баданов Михаил Павлович: [15:08:28] Slava: А головную боль как-то можно быстро снять? [15:08:44] Александр Мишин: Да, запустив почки ))) Присоединяюсь и могу ещё добавить: и уменьшить временно вольтаж первых сеансов, вызывающих головную боль.
Денис Б: Александр есть ли прогресс в лечении ДЦП у мужчины которого вы начали лечить?
Александр Мишин: да, очень быстрый прогресс за 3 недели, ноги стал автоматом ровно ставить, теперь чуток переучивается ходить...по его ощущениям, он сам сейчас чувствует, что моторика не полностью отрабатывает, этого раньше не замечал... немного болят мышцы, т.к. 36 лет не работали... а лично с моей точки зрения, после 3-х недель человек ровно ставит ноги и немножко учится ходить, его это не напрягает, мозг сам начал процесс восстановления.
Лёха: если тор сутками работает в рабочем помещении на деогностики, вредно это или нет
Александр Мишин: в первое время "оператор" будет испытывать усталость... далее могу только сказать по своему опыту - проблем не замечаю, хотя с подобными устройствами уже почти 2 года постоянно общаюсь.
al42700: Вопрос оптимально рабочая (возбуждающая) частота 280-350кГц, возможно более точно это 7,83(F Шумана) х на четную гармонику 7,83*36 = 281,88 7,83*44 = 344,52 ? И при намотке блина внутренний диаметр 2,54 а внешний из этого ряда?
5.08-7.62-10.16-12.7-15.24-17.78-20.32-22.86-25.4
Александр Мишин: внимательно пересмотри мою последнюю конференцию и дай для себя определение частоты, а также ее видов :)
КостаМ: У матери (65лет) сильный кашель 4 года и ослаблен иммунитет. В легких наши узловатые образования до 8 мм. Брали пробу - отрезали треть легкого. Вроде как природа образований грибковая, но за 3 года мотания по больницам диагноза нет. Какую катушку посоветуете и дозировку?
Александр Мишин: Стандартно начинаем с большой плоской и наблюдаем за реакцией организма... сколько по времени сами легко определите...
Александр Мишин: какую катушку нужно использовать, какой частоты и время воздействия? у папы рак легких 4 стадии... Тут многое будет зависеть от текущего размера опухоли... недельное начало стандартное... если множественные мелкие метастазы, то это более простой вариант, а при одном большом образовании похуже... начинайте работать над проблемой, через неделю уже нарисуется его реальное состояние...
Александр Мишин: при восстановлении повреждений спинного мозга в результате травмы: бубликом - меандр можно разрушать соединительную ткань а после плоской делать мягкое восстановление нервных волокон синусом? рубцовая ткань разрушается не от меандра, а от чуть большей мощности при таком режиме на стандартных генераторах, поэтому и нужен генератор синуса который может обеспечить нормальное питание
Александр Мишин: если рак головного мозга куда прикладывать катушку или тор.непосредственно тело, через неделю уже должны пойти улучшения, непосредственно на голову не рекомендую, при достаточно большой опухоли произойдет резкое ее набухание из-за разрушения, что может привести к быстрой смерти. Будьте бдительны господа... Тоже самое касется и рака легких кстати, очень быстрое убийство раковых клеток может привести к кровоизлиянию в легких
Юрий: Александр, скажите пожалуйста, есть ли опыт лечения эпилепсии?
Александр Мишин: нет, еще не было, но более чем уверен, результат будет очень быстрым
Юрий: Как вы думаете, лучше начать с плоской катушки по 30 минут в день?
Александр Мишин: с большой плоской и смотрите за реакцией организма... можно и час если все нормально проходит )
Igor G.: пожалуйста, делал ли кто-то Ваши катушки на стеклотекстолите?
Александр Мишин: у меня щас лежит такая, она не эффективна
КостаМ: Александр мотать между двух стекл эффективна будет такая сДМА?
Александр Мишин: достаточно просто на фанерке
КостаМ: Сделали пишут разницы нет контрольная катушка реагирует одинаково, что на фанерке, что в стекле с обоих сторон?
Александр Мишин: намотать можно на всем))
kpemehb_: на всем кроме металла
Igor G.: сделали на стеклотекстолите, говорите - не эффективна. А на фторопласте?
Александр Мишин: вы суть проблемы не поняли со стеклотекстолитом - не верная геометрия провода
Лёха: намотал катуку на основе окружностью 25см. проводом 0,7 в оплётки примерно 1мм. поличил 500кгц,вопрос эфективно ли увеличевать радиус основы. если этим проводом номатать получиться гдето 30 ато и болие сонтиметров.
Александр Мишин: нет, измени провод для более компактной намотки
bmat: Александр Мишин: рубцовая ткань разрушается не от меандра, а от чуть большей мощности при таком режиме на стандартных генераторах, поэтому и нужен генератор синуса который может обеспечить нормальное питание Пожалуйста, уточните "большей мощности". Пока понимаю так - 1 Вт RMS обычная мощность, 2 Вт RMS повышенная, 3 Вт RMS максимально допустимая.
Александр Мишин: Все относительно... я приводил пример нормальной работы катушки даже при 0.1 Вт на входе... а в тексте я сравнил мощности синуса и меандра стандартного генератора... внимательнее читайте :)
КостаМ: (отвечает новичку) ДМА для воздействия на общее состояние организма (устраняет проблемы управления, помогает в регенерации). ТМА (СДМА, МДМА, МиДМА) для воздействия на отдельные участки тела. СДМА, МДМА, МиДМА спектр частот сужается с уменьшением внешнего диаметра, при той же частоте ~300кгц, интенсивность воздействия увеличивается. Примечание: если работы много для катушки в теле пациента, то пациент может ощущать тепло, а если мало работы - то холод. Но, нужно это ещё проверять....
Денис Б: Это точно не так.теплая или холодная ТМА зависит от мощности генератора на слабых она холодная а на сильных теплая,медленно поднимая руку над ДМА ,ощущается то тепло то холод.
Александр Мишин: Я пока среди сотен людей не смог выявить какой либо зависимости по ощущениям... у всех по разному.
Денис Б: Я пробывал на 4.5 вата и до 0.5 вата. холод ощущали также коллеги с работы
Денис Горелочкин Кузнецк: я раньше тоже ощущал, а сейчас почему то уже нет
Юнкер:По моему мнению - любые ощущения - это показатель работы катушки. Был однажды у тетеньки - мастера по иглоукалыванию, так когда она иголки повтыкала, руки и ноги сильно мерзли, а она радовалась, говорила, что это хорошо - холод выходит, т.е. негативная энергия. По катайской медицине это действительно так.
Ощущение тепла - это восстановление нормальной циркуляции энергии в организме в этом месте и нормального кровообращения. Если где-то в теле ощущается холод, и туда положить катушку, через некоторое время там ощущается уже тепло. Покалывания, пощипывания, подергивания, пульсация - это все из этой же серии.
Если для катушки нет работы, то, мне кажется, должно ощущаться просто легкое тепло везде из-за усиления кровообращения. ИМХО.
zirokoz: После инсульта парализовало правую сторону и речь невнятная. У Вас были такие случаи?.
Александр Мишин: после инсульта были, но без сильных осложнений... там результат был быстрым и достаточно эффективным... у человека прошли (за 2 недели) головные боли и в целом улучшилось самочувствие...
Лёха: вот я ещё толком ничего не сделал. намотал два тора с которыми повозился и катушку у которой 500 мгц а у меня очен старое было уплотнение в виде шишки под мышкой. тепер оно раскроснелос и начело набухать в виде чиря и очень болит. так у меня вопрос ждать когда прорвёт или эти вырезать.
Александр Мишин: можно проколоть или аккуратно вскрыть, а удалять ничего не нужно. В больничке на такое смотрят щас не с того ракурса и могут настаивать на всякой ерунде, типо опухоль прогрессирует... отнеситесь к таким моментам как к абсцессам
Павел Конкин: Искусственный хрусталик глаза не испортит? 2 вопрос: Киста в голове с грецкий орех, как лучше?
Александр Мишин: Хрусталику точно не достанется )) С туловища начинайте, катушки ее и так нежно потрогают, через месяц уже должна будет уменьшиться, на голову и кисту напрямую не нужно воздействовать
plamja000: При первом использовании плоской катушки (300 кГц, на 1Оме-120мВ синус) 7 мин - у жены сильные головные боли, тошнота, рвота. Боли с тошнотой прошли лиш через сутки. Ни у меня ни у детей подобной реакции не было. С чем это может быть связано?
free energy: И у моей жены такое было
Александр Мишин: гадость из нее вылетела... резкие головные боли связаны с проблемой почек
serbajt: Есть такое заболевание- кератоконус (истоньшение роговицы глаз), как считаете, если пробовать лечить то как, на тело или прямо на глаза?
Александр Мишин: да, с глазами работаем непосредственно на них, но перед этим надо очистить весь организм
wave.julia: Вопрос - мужчина слетел со снегохода, получил разрывы носовой пазухи, глазной вены. Все зашили, но возможно отслоение сетчатки. Все случилось 22 дня назад. Есть ли смысл использовать ТДМА и если да, то куда?
Александр Мишин: Привыкайте работать универсально... если человек первый раз будет общаться с катушками, то на спину плоскую и т.д. как описывалось выше... через 2-3 недели будет видно какие проблемы остались.
nata.flamelove: У знакомой онко гинекология (запущенная) Операций не было, химии тоже, беспокоили только боли... Больше недели лечится Т.Д.М.А. Боли постепенно сходят на нет, обезбаливающие принимать перестала. На четвертый день к вечеру стала подниматься температура... внутри после Т.Д.М.А все горит...(использование Т.Д.М.А. не менее 4 часов в сутки поочередно) На 8 день температура вечером 39,через 2 часа упала до 36 и 7. И самое главное,что в этот же день с *проблемного* места ручьем полилось что то похожее на мутную воду... течет вторые сутки (простите за подробности). Каковы будут ваши советы и рекомендации по лечению, нормально ли это? Да, после того, как упала температура, она встала и пошла заниматься домашними делами как ни в чем не бывало)
Александр Мишин: Все отлично, это именно то, что и описывал с большими образованиями, они разрушаются изнутри и будут искать выход... продолжайте смело пользоваться катушками, на время можно сократить длительность воздействия до 30-60 мин в день... ожидаем затягивания раны.
Dmitriy: Ната как катушку применяли? Время, периодичность.
nata.flamelove: Катушку на живот, крестец до часа... тор: матка, придатки, мочевой пузырь, каждый орган от 40 минут до часа... ну и по почкам проходятся периодически...
Сергей & Елена Осиповы: Ната, температуру 39 сбивали?
nata.flamelove: Нет....она сама стала падать, в течении часа упала до 36 и 7... держалась два часа...
kpemehb_: Вопрос к Михаилу Павловичу. У женщины болят мышцы ног и рук, так же боли в районе шей и затылка. Обращалась к врачам, врачи по обследованиям ничего не могут сказать говорят что все хорошо. Выписали какие то таблетки, таблетки не помогают все время боли. Можете что то посоветовать с чего и как начинать процедуры с катушками?
Баданов Михаил Павлович: На шею сзади (на область "воловий горб") плоскую катушку, синус, 20 вольт, обычная частота - около 300 кГц,, 45 минут. Из них первые 15 минут на область между почками. Несколько сеансов, ежедневно или через день. Если заболит голова, то снизить вольтаж до 10 вольт.
Сергей Войтин: мальчик аутист 7 лет, никакие программы не помогают. как вы думаете стоит попробовать катушками и как?
Баданов Михаил Павлович: У Александра Мишина было какое-то подобное наблюдение. В моей практике - пока нет, но взрослые пациенты чётко после первых сеансов наблюдали улучшение настроения, чувство выспанности по утрам, отсутствие сонливости и хронической усталости днём. А.Мишин знает подробности.
Александр Мишин: за 1-2 недели должно быть значительное улучшение. плоскими катушками по часу в день
Александр: Я эти симптомы и на себе испытал. Было постоянное недосыпание и апатия. у меня 5 вольт всего, диск частота 300, на друга никак не действует.
Баданов Михаил Павлович: А ну тогда может быть недостаток вольтажа...
Александр: скорее всего ((( зато маме его этого достаточно, ноги прям "дергает" говорит, то холод, то тепло, покалывания
Баданов Михаил Павлович: Да, всё = индивидуально
kpemehb_: Михаил Павлович, я вчера спрашивал про женщину у которой рак легких. Вы рекомендовали интенсивно использовать катушки по 6 часов в день. Сегодня начали с поясницы было все нормально, использовали около 5 минут. Зетем положили плоскую катушку на грудь появилась резкая боль. Сеанс прекратили, а длился сеанс не более пяти минут. Через час будем еще раз пробовать. Вопрос: нет ли опасности, что начнется кровоизлияние в легкие? Что посоветуете?
Баданов Михаил Павлович: к ней первый раз вообще катушку приложили?
kpemehb_: да, первый раз сегодня
Баданов Михаил Павлович: Ну вот видите. Сразу опухоль (пациентка) среагировала болью.. Значит сразу попали в цель. "Сильно хорошо - тоже не хорошо". Делайте обходные маневры: цель добиться гибели опухоли, но не усиливать боль. Снижайте подаваемый вольтаж, по теории: из тора и плоской следует выбрать плоскую, как самую "мягкую" по воздействию. Уйдите на порог вольтажа, на котором она перестанет ощущать боль.
(через время в этот же день) kpemehb_: Значит сразу попали в цель. Вольтаж снизили до 10 В, пока все нормально.Сколько по времени работать? И нет ли опасности кровоизлияния в легкие?
Баданов Михаил Павлович: ну раз боли нет, то и опасность снижается. И потом сразу и во все опухоли в лёгком кровоизлияния не произойдёт. Опухоль = хуже чем, одно очаговое кровизлияние в ткань легкого. Ну и потом = опухоль в легком разрушается. Её полость (образующаяся после распада опухоли) ничем, извините, не заполнить. Нужно действовать так, чтобы убитые раковые заменялись нормальными клетками.
kpemehb_: Еще вопрос, продолжение рака, работать 1-1.5 часа сеанс и по четыре сеанса в день?
Александр Мишин: да по часу 3-4 раза в день на первой стадии до обострения
Александр: Михаил Павлович, есть ли вероятность восстановления при переломе позвоночника, последствия ноги и кисти рук не работают? лежит уже лет 30
Баданов Михаил Павлович: Конечно, да!
Александр: как работать? Александр: имеется 1 тор и 1 диск оба на 300 кГц
Баданов Михаил Павлович: Работать нужно на регенерацию, а значит только и всегда синус (по умолчанию). начать со стандартной частоты около 300 Кгц с 10-20 вольтами и я бы добавлять начал более высокие частоты. вплоть до 1,5 Мгц с вольтажом 180-250 милливольт. Такой вольтаж и частота (область) = у нормальных клеток. Итогда, очень редко, тормошить к регенерации нервов очень короткими по ремени меандрами.
КостаМ: под частоту 1,5мгц нужно катушку от дельно собирать?
Баданов Михаил Павлович: Тут нужно спектр катушек намотать.
Баданов Михаил Павлович: Накладывать туда на позвоночник - где он был "поломан". Ровно на места переломов с целью захватить и целый нерв и прилегающий к нему поврежденный его фрагмент.
Александр: понятно, действуем мягко и не торопясь, значит только катушками, а тором и катушками по почкам и печени? Сколько по времени в сутки работать?
Баданов Михаил Павлович: Здесь печень и почки не актуальны: он лежит, а значит всё стабильно по выделению. рекомендую идти с обеих концов навстречу друг другу. Что я имею в виду: начинаешь с нижних нормальных частот и стандартного напряжения. минут 10. Затем - с высоких частот (1,5Мгц) и нижнего напряжения (180 милливольт) минут 10. Затем с выше чем нижние частоты и убавив напряжение. Затем ниже, чем самая высокая частота (скажем 1,2 Мгц) и напряжение 200 милливольт. и т.д.
Александр: это все один сеанс (со сменой катушек?)
Баданов Михаил Павлович: Да
Александр: Сколько раз в день проводить сеансы?
Баданов Михаил Павлович: Один раз в день, Но каждый день. Желательно. Придётся ждать. Нервы восстанавливаются со скоростью 1-2 мм в сутки.
Юнкер: по частоте 1,5 мгц я думаю, что не нужно резонансную катушку делать. На имеющуюся плоскую просто дать эту частоту. Она работать тоже будет, но совсем "мягко", а "жарить на частоте клеточного излучения, наверное, не стоит. Или подобрать резонансную частоту где-то в диапазоне 400-600 кГц, на которую "откликаться" будет клеточное излучение. ИМХО.
Михаил: Александр! При первом знакомстве с катушкой, что лучше большую на поясницу пол часа или тор минут по 7 на каждую почку? Женщина 73 года букет полячек.
Александр Мишин: можно и на часик если нет бурной реакции.
Баданов Михаил Павлович: именно патологи (патологоанатомы) М.А.Пальцев, Д.С.Саркисов, Н.К. Хитров и другие, - стояли и стоят у истоков восстановительной (регенеративной) медицины, клеточных и средовых (природоподобных) технологий. Именно ими указана возможность обратного развития болезни к норме при "правильном" воздействии на организм (книга "Общая патология человека"). Так, именно под руководством патологоанатома, академика М.А.Пальцева создано первое в России 2-х томное руководство по медицинским клеточным технологиям. И именно патологоанатом (мы - "Николай Вторый") увидел в технологии Александра Мишина ("электростатическая динамическая имплозия") верный природоподобный подход, разглядев в нём, вначале, некую общность с гомеопатией... С этого и началось... В теории ещё не совсем всё ясно. Но "оно" работает и работает без вреда. "Non nocere!" - Главное - не навреди" - главный принцип исцеляющей медицины. К нему сегодня я бы добавил: "Действуй как Природа!" ("Действуй как Бог"). Технологии имплозии - природные технологии, боговые технологии, технологии Бога. В них лечит, исцеляет, регенерирует, восстанавливает ОТВЕТ среды = Природы = материи, - как ответ на наше воздействие на неё имплозией. Это первым увидел Александр Мишин.
Evgeny: Вопрос по некрозу тазобедренного сустава, Ситуация на сегодня такая: собран пакет документов, назначена операция по замене сустава. Долго не могли поставить диагноз, даже в больнице. МРТ показало в чем дело. Состояние с лета 2015 года практически не изменилось, тяжело ходить, боль в районе бедра, но человек до сих пор ходит на работу. Я пока не уверен согласятся ли на катушки, но на всякий случай сразу спрашиваю, чтобы даже, отталкиваясь от вашего ответа уговорить на лечение. К сожалению результат мрт и описание, не видел, не могу сказать насколько обширно, но вопрос в следующем, насколько высок шанс регенерации тканей сустава (в целом)?
Баданов Михаил Павлович: сейчас (именно в эти дни) мужчина около 40 лет ходит ко мне с подобной же проблемой. Так вот докладываю: со 2 февраля начинающийся анкилоз левого тазобедренного сустава у этого мужчины почти полностью ушёл назад! Сейчас он почти ходит нормально. Болей нет. Но ещё требуется продолжение оздоровления имплозией. Он первично обратился с полиорганной (множественной) патологией (порядка 17 болячек сразу). И с болями и анкилозом этого сустава. Ему не могли делать замену этого сустав. так как была масса противопоказанеий из-за букета его болезней. Поэтому имплозия уходила ещё и на его все остальные болячки!!!! Новый рентгенснимок будет через неделю. Ждите новостей. Начинайте работать с его суставом имплозией. Но помните, она (имплозия) будет из проблемной зоны ещё "подсасываться", то есть расходоваться и на другие его болезненные зоны. органы и ткани.... Будете лечить его сустав. а лечиться одновременно будет всё остальное. И сустав. разумеется. С уважением.
serbajt: Немного не стандартный вопрос, что будет с организмом при воздействии на него не чистым синусом, а сильно искаженным, при имплозии, большой мощности, (допустим сломался генератор в процессе использования, а мы не заметили этого), и также интересует воздействие ненастроенной емкости (катушки), (допустим сбилась настройка генератора, амплитуда выросла 20 вольт пик пик)... Такие сбои аппаратуры безопасны? (спрашиваю, чтобы определиться, заморачиваться с защитой "от дурака", или достаточно проверки, допустим раз в месяц )
Александр Мишин: Возможные последствия: возникновение головных болей; расстройства ЖКТ из-за смерти нормальных бактерий; возникновение болей в суставах, аритмии и т.п. ... резкие фронты нам не желательны.
Баданов Михаил Павлович: Я оздоравливал соседа от боли в пояснице, она прошла и вместо неё у него нормализовался сахар крови (с 14,5 ммоль/литр до 5,3 ммоль/литр). Не окончательно, но несколько дней сахар был в норме... При его избыточном весе в 50 кг. По сахарному диабету работы и исследованиям его имплозией = "море"...
jekajeka69: можно ли совмещать "общение" с катушками с биорезонансной терапией? Или лучше подождать пока курс биорезонанса закончится?
Баданов Михаил Павлович: Считаю, что "Да. Можно". Или типа по Хильде Кларк или по Фолю или по Накатани и т.п... Единственное, что может смутить, так это "читка" результатов. Если есть симптомы и клиника "ответов" на биорезтерапию, то, чтобы не смешивать эти "ответы" с ответами на имплозию, можно и погодить с ней. Механизмы же у них разные и тоже не донца изученные.
free energy: Мужчина 56 лет, 105 кг вес, сахорный диабет, в районе подмышек папиломы до 10мм в длину, часто пьёт! Во время первого сеанса (плосская на грудь) ощющение тепла, после сеанса небольшой зуд, после ТОР на почки. На второй день плосская на грудь, после сеанса сильно упало давление до 70, и зуд в районе шеи и подмышек, слабость. Пациент говорит что такого даввления у него никогда не было. Катушка в лаке 0,5мм на фанере. Мощность воздействия 2,5 ватта
Баданов Михаил Павлович: Оздоравливайте катями аккуратно: уменьшите или время экспозиции или вольтаж, сделайте перерыв между сеансами, т.е. реже работайте...
bmat: levoleks -Выложил обновленный файл с рекомендациями по лечебным рекомендациям Мишина Александра. Ссылка: https://yadi.sk/i/DW-YAeWOqb5sS
kpemehb_: Вчера задавал вопросы Михаилу Павловичу по вопросу рака легких у женщины. Поделюсь результатами. При первом применении сначала на почки около пяти минут, затем на грудь, сразу почувствовала резкую боль. Напряжение было 20В, по совету Михаила Павловича снизили вольтаж до прекращении боли. Получилось 10В. Продержали около часа, по ощущениям был холодок. Это было вечером вчера, утром сказала, что спала всю ночь не просыпалась, с ее слов такого сна не было более двух лет. Утром тоже вставать не хотелось тянуло в сон. При втором применении сегодня утром, напряжение повысили до 15В, ощущении холода в груди. Применяла около часа, в конце сеанса начало подташнивать, поэтому сеанс закончили. Вечером делали третий сеанс. Напряжение увеличили до 17.5В по просьбе пациента. С ее слов ощущение холода во всем теле.
free energy: Какая катушка у вас, и генератор?
kpemehb_: Пока плоской работаем диаметр провода 0.6 мм на фанере, сначала на поясницу около 5 минут затем на грудь пока по часу, генератор 9005С, частата 292 кГц
kpemehb_: Вопрос к Михаилу Павловичу, ощущения холода в теле при применении катушки это нормально? И проявление тошноты, реация организма, что делать в таких ситуациях?
Баданов Михаил Павлович: Я "читаю" это так: 1.умеренный холод (ощущение холода) - это есть очень хорошо. Так работает имплозия = то что как раз и нужно!!! Зер гут! Доказательство: прекрасный сон и утром нужно было дать отоспаться (за два-то года)). 2. Поднятие напряжение до 15 вольт = холод (а не холодок) в груди = переизбыток имплозии небольшой. Как доказательство - тошнота (стало подташнивать). Вольтаж до 17,5 В = холод во всём теле. Помните: "сильно хорошо - тоже не хорошо". У вас великолепно сработала (работала) имплозия, но вы на 15в и 17.5 В дали передоз имплозией = сильно "накосили" врагов = погибло очень большое кол-во раковых клеток - отсюда тошнота. Не нужно переусердствовать: продуктам распада опухоли нужно выходить наружу. С случае рака лёгких это будут легкие: ждите зловонный запах на выдохах при дыхании, потемнение мочи, тошноту, зловонный стул, высыпания на кожу и т.п. = то есть признаки выведения гадости от гибели раковых клеток. Если угодно - это как после сеанса эффективной беспобочной химии или после сеанса лучевой. Но без осложнений. Просто нужно организму давать время и возможность вывода продуктов распада трупов раковых клеток, уничтоженных имплозией. В идеале: пусть ощущения холодка иногда меняется теплом: это так уничтожает имплозия рак и так организм восстанавливает зоны, лишённые раковых клеток. Тошнота = признак массовой гибели онко клеток от имплозии (в данном случае). Всё идёт нормально. Но не переусердствуйте. При тошноте = подключайте = активируйте почки = помогайте организму быстрее выводить продукты распадов опухоли. Увеличьте питьё. Но без отёков на теле. Чуть мочегонные травки: через день. Докладывайте, плиз, далее. Во всём теле не нужно добиваться холода: это может быть признак окончания (прихода к исходу) защитных сил организма. Лучше держите "холодок" (а не "холод") где-то докально, а не во всём теле. Но нужно помнить всем: не все пациенты могут так великолепно самоощущать работу имплозии в своём теле. Если ощущения холода будут нарастать раз от раза, то нужно сбавить темп сеансов имплозии = давать организму восстанавливаться после массовой гибели врагов = то есть = регенерировать.
slava0974: Как отделить ген аналоговый от цифрового?
Баданов Михаил Павлович: Это к Саше Мишину. Он точно скажет - чем они отличаются. Но я скажу: управляемостью. Мне аналоговый больше нравится, чем цифровой. он, как бы с обратной связью. Он "чувствует" пациента и сразу показавыет это на дисплее.
Курочкин Леонид Михаилович: Михаил Павлович. Анализ крови на ПСА, даёт объективную картину состояния или примерно? Или как для обывателя понимать?Баданов Михаил Павлович: ПСА - ПростатоСпецифический Антиген = маркёр крови(белок) = с высокими его цифрами - показывающий как бы наличие нежелательных изменений в простате (предстательной железе = "втором сердце" мужчины). Он, сам по себе, без остальных жалоб - не показывает ничего и бывает повышен просто при повышенной сексуальной активности. Если он повышен и есть затруднения мочеиспускания, слабая струя мочи, боли и чувство распирания в промежности, "осечки" в сексе, то надоть сделать УЗИ простаты (с полным мочевым пузырём). Чтоб хорошо всё было видно узисту...
nata.flamelove: А что значит,если в месте работы тора наоборот ощущается сильный разогрев и сам тор нагревается от тела?
Баданов Михаил Павлович: Неправильный тор - если сильный разогрев. А если нагревается от голого тела (36,6), то норма. На одежду кладите. Вовсе не нужно на голое тело = вовсе не обязательно.
я-свет.рф Евгений Свет: у меня тоже тор греется
Александр Мишин: сами торы не греются и не охлаждаются... цепь разорвана
Pavel: если тор лежит просто на столе к примеру и включен в работу то нагрева нет, а если положить на тело через одежду, идет заметный разогрев тора (диска) и того места тела где он лежит... это норма?
Александр Мишин: да ))
Лёха: я писал про уплотнение под мышкай вот два тора которые переодично работали на проверки 1 - 290кгц. 2 - 284кгц и каушка намотана в левую сторону, внутрений деаметор 0,6мм,наружний 25см. 504кгц. после всех проверок моё уплотнение взбухло вокруг всё покраснело и начелись боли вчера вечером начел выделяться гной .выделения продолжаються и по сегоднешний день но кроснота немного спала и опухол тоже но не совсем. сегодня приложил тор на полчаса завтра посмотрим резултат.до этого я писал что я с ними толко работал но не применя в качестве лечения.
Баданов Михаил Павлович: По-видимому = подмышечный гидраденит. Если так, то имплозить как обычный очаг воспаления. Может быть прорыв гноя наружу...
Александр Мишин: дырки большие... 25мм сделай
Лёха: а в правою или левою сторону всё равно
Александр Мишин: да
Валерий Серовский: Будут ли действовать статика при укусе человека клещами, змеями и бешенными животными?
Баданов Михаил Павлович: Да. Однозначно. Но у рук ещё не было. Всё впереди.
bmat: Еще вопросы - последовательный резонансный контур - стандартные генераторы имеют включенные последовательно резисторы 50 Ом, а самодельные не имеют как правило. А это сразу отражается на добротности контура. В схеме замещения участвует и источники питания этих генераторов. Есть опыт лечения самодельными генераторами без резистора 50 Oм? Тольятинский генератор имеет резистор 50 Oм на выходе?
slava0974: у меня есть 9003с и 9010с гены и они оба не держат синусоиду с верху и снизу просадка, а вот atten atf20b держит идеально любые катушки, даже из провода в лаке на 0.7мм.
Баданов Михаил Павлович: "на дисплее показывает" , имеется в виду частота уплывает .... Да. именно так. Плавает частота при накладке кати на того или иного пациента. А вот оценку этому пока нами не дана. нужно набирать такой опыт и подмечать. Навскидку: если частота уменьшается при накладки кати на пациента, то, вероятно, имплозия телом пациента востребована... И увеличение частоты я пока не наблюдал. всегда - её уменьшение... Надо набирать всем опыт и примечать (есть такое русское слово)...
Аркадий: Михаил Павлович, а каким генератором вы пользуетесь? Спасибо.
Баданов Михаил Павлович: аналоговым 9002С и цифровиком двуканальным до 20 вольт. Ждём (и я тоже) Тольяттинские с увеличенным КПД по имплозии.
Николай: Надо бы в состав генератора раскачивающего имплозию, ввести слабенький звуковой генератор. После настройки основного генератора на резонансную частоту катушки, производить настойку звукового генератора ровно на эту же частоту. По слуху. То есть в момент совпадения частот звук пропадет совсем. Что это даст - оживление генератора, о чем мечтает Михаил Павлович. При движении такой катушки над телом пациента мы будем слышать ВСЕ "неоднородности" залегающие в глубине тушки... А это и средство диагностики, и небольшое средство проверки степени влияния имплозии на неоднородность в теле пациента...
Баданов Михаил Павлович: "Надо бы в состав генератора раскачивающего имплозию, ввести слабенький звуковой генератор. После настройки основн....." Браво, Николай! Мысль и наука несчерпаемы! Нет предела Совершенству. Я - За!
КЫТ: Ребята, слух у человека до 15 Кгц, как вы услышите 280 -300 Кгц? Каким органом? Или я чего-то не понял, разностную частоту услышать можно, но где эти частоты будут ссумироваться (вычитаться?)
Денис Горелочкин Кузнецк: именно на разности частот... нужен второй генератор, он при имплозии настраивается на отсутствие звука
Валерий Серовский: У знакомого удалили сигмавидную кишку вместе с опухолью в 2011г. Сейчас внутри кишечника обравался полип (увидели вовремя скопии).Врачи предлагают оперировать.Можно ли полип удалить катушками?
Баданов Михаил Павлович: Можно ли полип удалить катушками? Конечно да! Но, 1. мониторить ректоманоскопией (осмотром полипа) и 2. там может быть более "верхняя" причина всего этого... раз выросла опухоль, её удалили. а вырос снова полип... Полип официально счтается предраком. Да. обязательно нужно применить имплозию. Рисков нуль от неё. Но нужны: голова, качественные кати и качественные генеры и... руки. Без проблем: нужно применить имплозию визуальный контроль (мониторинг скопией).
Николай: Мой знакомый за два дня катушкой и тором привел себя в состояние "Тааак, я ничего не понял!? Я сколько лет... носил врачам..." Уговариваю его поделиться с нами своим опытом... Пока он думает, но между делом сказал очень важную вещь - массаж! До катушек, и сразу после катушек очень важно провести массаж, чтобы помочь организму с выводом поднятой мути... Хотя и здесь... обязательно найдутся случаи, когда массаж будет категорически противопоказан! Их будет мало, но они будут! И это тоже надо знать. Без Михаила Павловича - снова никуда... Без его знаний о нашем биоскафандре....
Александр Мишин: эти случаи могут быть связаны только с очень быстрым выводом/изливанием продуктов распада... если же касаться опухолей, то для нашего метода это почти рекомендация... особенно на мелких, которые сразу не хотят поддаваться катушкам... проводим усиленный массаж, и тем самым вызываем обострение, которое за 30 мин гасим тором... мелкие уплотнения за 1-2 дня можно убрать таким способом... проверял лично.
Баданов Михаил Павлович: Да, эта фишка (изобретение) Александра Мишина. Суть вот в чём: в тех случаях, когда имеется "холодный" (неактивный вообще) хронический (долгий) процесс ("болячка"), при котором давно образовались какие-то локальные образования или патологические очаги, которые никак себя не ведут. Их надо удалить имплозией. Оказалось, что, если их пытаться имплозировать катями, то очень часто они (очаги) себя никак не ведут - типа "стоят на месте". такое бывает. Вопрос: как имплозией активировать их процесс "убирания"? Ответ: их (эти очаги ) тоже нужно активировать. То есть нужно сделать им (холодным очагам) провокацию, для того чтобы они искусственно и на время активизировались ( активировались). Известно, что имлозия "берёт" (уничтожает, или быстрее приводит в норму) лучше то, что активно, то есть, например - воспалено в данный момент. Так вот. Самый безопасный способ на время и легко активировать старый процесс - это сделать "над ним" или в его области = массаж. А потом имплозией "хлопнуть" этот старый "разогретый на время" очаг. Научившись делать так, мы сможем убирать имплозией очень старые, очень многие хронические процессы, болезни, очаги, образования и состояния. Но нужно действовать аккуратно, грамотно, дозированно. В клинической медицине этот метод известен под названием "Провокация". Так, например, излечивают старущую гонорею, применив для провокации препарат Пирогенал или Гоновакцину..... А.Мишин догадался сам до этого в имплозии.... Скажу вам всем: Если аккуратно и на очень короткое время ( в теории) научиться вызывать преходящее асептическое (стерильное) воспаление в камерах глаза, где находятся его оптические среды и ткани, то можно оптические среды глаза полностью очищать имплозией от выпадающих в них осадков белков и, соответственно, освобождать людей от слепоты при помутнениях роговицы. хрусталика и стекловидного тела (катаракты и т.п) - то есть без операций полностью возвращать зрение людям. Все помутнения оптических сред в глазах - это выпадение в них белков типа "амилоида" = в неположенных местах. В этом же причины всех ревматических и ревматоидных болезней = выпадение белков в "неположенных" местах организма. И атеросклероз = причина инсультов., = такая же "беда". Выпавшие в осадок "холодные" белки и "холодные" ("немые") очаги нужно вначале аккуратно временно активировать, а потом их "тёпленькими" уничтожать имплозией. И будет нам и Вам счастье! Мы работем над этим. :)
Лёха: про уплотнение под мышкой. да гной сочица уже второй день.
Slava: Александр, скажите, при лечении щитовидной железы, может ли возникнуть обострение? Лечимся неделю по часу в день. Плоской на поясницу. Темной мочи небыло. Сначала вроде было полегче (сильное беспокойство из-за гиперфункции), а сейчас снова стало хуже
Александр Мишин: сделайте перерыв на недельку, разбитым узелкам из щитовидки некуда выходить, пусть организм выводит отходы )
Баданов Михаил Павлович: В щитовидной железе у вас плюс-ткань или минус-ткань?
Курочкин Леонид Михаилович: Как определить, работает ли тма или дма, если у пациента нет абсолютно ни каких ощущений? По моче тоже не особо понятно.
kpemehb_: У меня тоже анологичная ситуация была с двумя людьми. Другими словами человек совсем не воспринимает и не ощущает ни какие катушки. Пробовал два раза по пять сеансов в течении часа каждый. Не понятно почему. Может Михаил павлович что то порекомендовать.
КостаМ: А у них какие-то заболевания есть, на что жалуются?? Здоровые люди ни как не реагируют на ТДМА.
Александр Мишин: проверить настройку по способам описанным в моем документе по медицине
Баданов Михаил Павлович: Да. Такое бывает. У меня такое было только в случаях укрытых (скрытых) рубцов: всего два случая. В обеих случаях втихую рассасываются келоидные (белые по цвету) рубцы: ( в народе их называют "шрамы") имплозия идёт на них, чёрт её побери, она не доходит как бы до наших целей, как бы "убегает на них - на рубцы", я ругался.... а рубцы то раз - и рассосались. Ну любят рубцы очень имплозию или она - их!!! Вот когда они рассосутся. вот тогда примечайте ощущения пациентов на имплозию. Если кати и генеры в полном порядке! Примечено! Примечайте и сами!
Evgeny: Это вполне нормально, могу описать свой случай. У человека Бехтерев (анкилозирующий спондилоартрит) так он ни как не ощущает катухи ни плоскую ни тор... вообще ноль ощущений... а я сидя рядом в метре от него, уже с горящим лицом и меня перекрывает по полной, ощущений масса, колбасит волнами... прилив крови к мозгу для меня слишком интенсивен, так как проблемы с шеей уже лет 14... )
Баданов Михаил Павлович: Ну вот "Бехтерев" (меджаргон) - потому то катю пациент и не ощущает, так как болезнь Бехтерева - это как бы гигантский закостенелый " костный же "рубец" - сращение позвонков в "бамбуковую палку" = рентгенпризнак. Сросшаяся большая кость сосёт имплозию мощнее любого ..... Извините, из содатского анекдота скажу: "Голова - это кость, а кость болеть не может". Потому "при Бехтереве" пациент несколько месяцев может не чувствовать имплозию кать.
Аркадий: Михаил Павлович, а гепатоз печени имплозией убирается?
Баданов Михаил Павлович: Сейчас убираю (со 2 февраля с.г.) - контранализы у пациента через неделю... "будем посмотреть"... Это тот, у которого 17 болячек. включая начинающийся анкилоз тазобедренного сустава и была перспектива его протезирования.... Всё - через неделю, но по имеющейся картине - всё идёт очень даже зэр гут!
spivakova.ludmila: Здравствуйте. У мужа рак простаты 4 стадии. Метастазы в позвоночнике, в плечах. ребрах, в коленях, сильно поражены тазовые кости. Рак гормональный, сделали операцию, применяет бонефос, сейчас ремиссия. Боли стихли, но местами боли терпимые остались. Стали применять катушки ТМА И ДМА , ставили три раза в день по 30 минут, в конце второй недели почувствовал ухудшение состояния, стало немного тошнить, моча темная, становилось жарко, потел, хотя во время болезни сильно мерз. Появилась леность
kpemehb_: Предоставляю отчет, ощущение пациента при лечении рака легких у женщины, вчера писал об этом сегодня вначале повторюсь то что писал вчера. Во время первого сеанса, когда диск был положен прямо на опухоль, так уж получилось ), ощутила резкую и сильную боль под правой лопаткой, диск был снят. Время сеанса составило: 5 минут диска на спине (ощущался холодок под диском) 10В, 10 - 15 минут примерно на левой груди с тем же вольтажом. Ночь прошла спокойно. По словам пациентки она проспала ночь просто отлично и утром просыпаться не хотелось. Во Второй день было проведено три сеанса по часу. Диск ставили на спину 5 мин, на середину груди 55 - 60 мин. Вольтаж 17,5. Во время второго сеанса, ближе к концу, пожаловалась на тошноту. Во время третьего сеанса начала жаловаться на холод во всем теле. Сегодня днем работали на почках по 10 минут два раза. Ставили диск на спину на 10 минут. Вольтаж 15. Ощущение холодка под диском.
Общее самочувствие после сеансов на текущий момент. Тянет в области поясницы и усталость глаз. Спокойно может поднимать руки без болевых ощущений под правой лопаткой. Острых болей нет. При пальпации в груди опухоль чувствуется, как уплотнение в тканях. По размеру груди одинаковые. Покраснений на груди и в области соска нет. Появились боли или не боли, вообщем тянет мышцы ног. Михаил Павлович ждем Ваших рекомендаций. Так же описывает своё состояние как "я бы и легла поспать, но внутри много энергии. Глаза вроде закрываются, но не спится" )) Сейчас будем делать очередной сеанс. Теперь о чем пациент не сказала. Щитовидная железа: увеличена. Порядка 15 лет. Принимает L тироксин 100мг. Рак легкого был обнаружен в октябре 2013 года во время прохождения медкомиссии для работы. На снимке обнаружили опухоль в центральном бронхе размером 4,0х 1,7 см. После первой химии уменьшилась в размерах до 3,7 х 1,3 см. В течение следующего месяца облучалась. После облучения опухоль замерла. В январе 2014 Пошла метастаза в грудь. Обнаружена в левой груди размером 6,7 х 3,5 см. Снова прошла курс из пяти сеансов химии. Метастаза уменьшилась до размеров 4,5 х 2 см. В августе 2015 года снова начала расти метастаза. 3,7 х 4 см. Снова был пройден курс из четырёх сеансов химии, дальнейшее лечение было отменено из-за передозировки химии. Анализы крови по раковым клеткам 11.01.2016 - 571, а 25.01.2016 - 342 при норме 240-480. На текущий момент диагноз - неоперабельный рак легкого IV степени. На всякий случай код диагноза такой - 4c2c1OTH. Михаил Павлович, что посоветуете? Пока продолжаем как описано или что то другое посоветуете? Может данная информация будет полезна кому то.
Баданов Михаил Павлович: Продолжайте работать имплозией. Аккуратно, размеренно, убавляйте чуть темпы, продолжительность, если есть признаки интоксикации из-за продуктов распада опухоли и неуспевания их выведения организмом. Коряво пишу, но по смыслу правильно.
spivakova.ludmila: продолжаю: сделали перерыв . Когда появилось улучшение состояние , продолжили ставить катушки, постепенно боли в костях уменьшились. Еще после лекарств и операции был повышен билирубин общ. 75 , был сильно желтый ,сейчас желтизна уходит , нос и уши порозовели.Катушки ставили на печень. почки. вдоль всего позвоночника , плечи . на поясницу, 3 дня меандр, потом синус частота катушек 320 кГц, 300 кГц, 288 кГц. Записались на сканирование костей , большая очередь , потом сообщу результат . Еще осталось без результата: 1.Немеют пальцы рук, началось после операции ( не знаем куда ставить катушки) 2. В мае 2015 г была сделана операции по удалению камня из мочевого пузыря , катетер стоял 7 месяцев . прошло уже 4 месяца но моча продолжает чуть-чуть сочиться , никак не заживает. если близко ставить катушку , моча начинает сильнее сочиться. в настоящее время, после лечения , становится жарко, но температуры нет, продолжается леность. Подскажите пожалуйста может мы не верно что-то делаем? Извините сообщение получилось в трех местах.А куда нам ставить катушки, чтобы убрать онемение рук?
Баданов Михаил Павлович: Появилась леность - Это вы рак и задели имплозией. Посыпалось "оно" из организма - считайте как сеанс противораковой терапии сделали и даже не как сеанс, а сеанс и есть на 200%. Сейчас надо имплозию продолжать, но чуть убавить темп и способствовать выведению всего "....." из организма чере его (организма) сохранившиеся в порядке выделительные системы. Помогайте им (выделительным системам): питьё, мочегон. травки немного, чуть-чуть можно "подслаблять" стул.... Может быть отвратный по запаху выдох (выдохи) из легких (смрадное дыхание). Лезет оно =продукты распада раковых клеток и раковых тканей..... Соблюдайте баланс между скоростями гибели рака, вашей работой имплозией, скоростями вывода из организма продуктов распада рака и состоянием его (пациента) организма. Соотносите их скорости.... Дай Вам Бог Здоровья! И организму нужно успевать восстанавливаться во время "оздоровления" имплозией. Соблюдать золотую середину во всём. Моча пусть сочится. Ну можете регулировать сочение. Пальцы "проснуться от немения" когда наступит их время. Имплозия сама их найдёт. Ставьте кати применительно к опухолям. Хорошо, что после кать - становится жарко. Это просто отлично! Вы - просто молодцы!
КостаМ: Здравствуйте Михаил Павлович мужчина возраст 40 лет, любил пить в большом количестве газированную воду с красителями, потом неожиданно при употреблении литра молока пронесло в "жидкий стул" ночью начался зуд колени локти промежность копчик шея лицо после расчесов появились пузырьки наполненые жидкостью похожей на лимфу, этот кашмар продолжался каждую ночь (зуд, расчесы, невысыпался) мысли приходили о суици́де. Такое продолжается 10 лет с соблюдением диеты уменьшается зуд и кожа заживляется. Врачи поставили диагноз Атопический Дерматит и аллергию на коровий и яичный белок. Поможет ДМА при стандартном применении спина,грудь от30 до 1 часа и ТМА на почки 15-30 мин чередуя. А при обострении делать перерывы, для выхода из организма шлаков?
free energy: Третюю неделю применяю ДМА ТМА у меня тоже атопический дерматит с детства. Сейчас обострение вроде, болячка очень серьёзная, плюс аллергия прицепилась, изменения есть, пока трудно судить какие
Slava: В щитовидной железе у вас плюс-ткань или минус-ткань? Михаил Павлович, если честно, то не знаю. Диагноз: Тереотоксикоз
Баданов Михаил Павлович: Здесь "гнать лошадей" (это я о своём) не нужно. (Это не рак.) Здесь нужно не спеша правильно сразу "запрячь". Здесь повышенная функция щитовидки. нужно заставить её правильно работать: не гнать и не тормозить. Советую: заряжайте плоскую катю где-то на около 300 Кгц. имплозируйте (работаете) по шахматной схеме в плане вольтажа: сеанс (30 минут или 1 час) разбиваете на десятиминутки. На время каждой 10-минутки чередуете: даёте то 20 вольт, то 10 вольт - то есть раскачивате имплозией щитовидку и тем самым показываете (имплозией) - на какую "правильную позицию" фукционирования встать этой железе. Полезет, вероятно, всё что он (пациент?-тка?) накопили, но и до щитовидки очередь имплозии дойдёт. Если шеи нет (короткая) то накладываете плоскую катю на воловий горб. Несколько недель. 1 или 2 раза в сутки. Можно через день. Остальное известно по применению кать имплозии. Здравия!
Slava: Михаил Павлович, были у вас пациенты с гиперфункцией щитовидки (Тереотоксикозом) Если да, то как вы их лечили? Что посоветуете?
kpemehb_: Михаил Павлович, выше уже писал у женщины рак легких. Сегодня третий день приема катушки, катушку поставили плоскую другую. До этого использовали плоскую с диаметром провода 0.6 мм, а сейчас поставили другую с диаметром провода 0.5 мм. Не понравился этот диск опухоли. Гоняли почки с вольтажом 20, все ок. Время 18:25 - 18:35. Переложили на середину груди с вольтажом 15, через минут 20 начались неприятные ощущения в груди. Она описала их как ощущения от ожога крапивой. Снизили до 10 и переложили на живот, пошла острая боль в направлении от живота к груди. Сняли совсем. Ещё примерно 5 минут оставалась острая боль в груди по ощущениям "острое жжение". После кружки воды стала уменьшаться. На текущий момент, 19:17, болевые ощущения исчезли совсем. Что посоветуете?
Баданов Михаил Павлович: кремень Валентин по раку у женщины: описываете всё правильно и как "по писаному": тошнота и холод во всём теле - звоночек для удаление продуктов распада опухоли из организма и/или убавления дозировки имплозии. Уничтожение врагов должно сопровождаться уборкой их тел с боя боя и их утилизацией из организма. Для этого организму нужны тоже силы и здоровье. Нужно помогать выводить ему продукты распада раковой мертвечины. Вероятно, что-то из продуктов распада организм вновь пустить на своё строительство уже здоровых клеток и тканей. (Об этом мало что известно науке = о вторичном усвоении продутов "такого" метаболизма). То есть - есть доля неизвестности в этих вопросах. Помогайте органам и системам ВЫДЕЛЕНИЯ. Корректно. Боли в мышцах рук и ног бывает при миолизе - распаде мышечных волоко и повышении уровня молочной кислоты = ацидозе (закислении) крови и организме. В данном случае - из=за массового распада раковых клеток = в них очень много всего было и есть. Давать щелочную минводу без газов (отстаивать), наконец, иногда, воду с содой (на кончике чайной ложки на стакан). Питьё. Лёгкое Питание. Если нет аппетита, в первой повине дня: золотой корень или женьшень или пантокрин, гематоген. Холод во всём теле мне не нравится.
Баданов Михаил Павлович: И на диске и на торе.Правильно: и то и другое. Можно и нужно комбинировать, но примечайте сами удачные комбинации и последовательности! У всех может быть строго индивидуально. Всегда нужно подбирать "ключики": комбинации и последовательности видов кать.
Баданов Михаил Павлович: "А куда нам ставить катушки , чтобы убрать онемение рук?" Ну хорошо - на проекцию шейного нервного сплетения - это примерно 7-й шейный позвонок = его остистый отросток ("воловий горб" - в народе называют). гуляете около него - вверх и вниз на 2 см примерно, и на нём самом. Всякий раз.
Баданов Михаил Павлович: Кремень Валентин по раку легких у женщины "не понарвился этот диск опухоли". Валентин, нужно пытаться не причинять боль во время имплозии. /Это достижимо. Как? Ответ: Выбирается вольтаж, на котормо произошла нужная "сработка", только вольтаж снижаем до безболевого (субпорогового болевого). Получаем безболевое лечение имплозией. С уважением.
boris shamonin: От подятия тякистажестей опустились почки ,подимается давление, головные боли,возрас 58 , виста в почках.можно ли катушками вылечить???
Баданов Михаил Павлович: Что, простите в почках? ("виста"?) Да, можно их подтянуть кверху имплозией, но ей нужно помочь в этом. К мягкой имплозии плоской катей в стандартной частоте около 300 Кгц всякий раз к сеансу имплозии добавлять ( в положении лёжа пациента) позиционный массаж (вправляющее почки ручное пособие = рукодействие) руками массажиста или Вашими руками, "возвращающее обе почки на место" . Дело в том, что почки находятся забрюшинно и у них относительно слабый фиксирующий их " связочный" аппарат" - они фактически лежат в забрюшинной жировой клетчатке. А потому, при их смещении их можно вернуть на место. Только нужно знать - как это сделать. Итак. перед катей лёжа очень легкий поглаживающий массаж. Затем легкая тракция (как бы подпирание рукой почек кверху. Затем катя. после кати снова тракция (подпирание) кверху. Затем обязательно корсет на поясницу, его верхний ркай = чуть ниже почек. На следующий сеанс корсет снимается только лежа и всё повторяется... имплозия и всё указанное позиционируют почки на место.
Valera: Еще вопрос о легком, мужчина 45 лет , три года назад , был пневмоторекс, жидкость откачали, сейчас диагностировали пневмосклероз, сопровождается болью , но терпимой. Разростается соеденительная ткань. Можно ли воздействовать катушкой ?
Баданов Михаил Павлович: Нужно, Валерий. С уважением.
Баданов Михаил Павлович: Порекомендуйте пожалуйста нам... людям, что можно из спиртного употреблять. Вот ведь блин! А я ведь ещё и сертифицированный врач психиатр-нарколог(действующий сертификат) :) м-да... отстал я от жизни в плане качества спиртного. Но скажу: чистый спирт - это чистый яд. Водки все сегодня делаются не по рецептуре СССР. Там была эталоном качества Старка.
Алексей: Михаил Павлович скажите можно ли совмещать катушки препарат АСД2 при онкологии? С уважением Алексей.
Алексей: И ещё вопрос к Михаилу Павловичу, скажите приходилось ли Вам катушками лечить психически больных людей?
Evgeny: Михаил Павлович Спасибо огромное! Всегда думал что надежда есть и что даже Бехтерев надо пробовать лечить, даже пусть это займет месяца и годы... В любом случае лучше пробовать его лечить годами, чем он за эти годы будет прогрессировать, я писал ранее что позвоночник уже как лом... сросся весь, кроме шейного отдела. Мы начали с плоской два дня по 30 минут... а потом я прикинул что это, не особо эффективно в данном случае и продолжили только тором (285кГц синус/меандр при 20В) на весь позвоночник, начиная снизу, либо сверху (когда как) по 5-7 минут на каждые ~2 позвонка спускаясь/поднимаясь по позвоночнику... и так около 7 дней... ну а потом генератор решил отдохнуть и отправиться по гарантии в место покупки. Ощущения пациента: боль прошла в принципе полностью, чувствуется прилив энергии, хочется прямо встать и разогнуться, но скованность не дает. Диклофенак пока лечились не принимал. Метотрексат-Эбеве принимать так же прекратил совсем. До этого пару раз, по квоте, прокапывался Ремикейдом (после которого боли проходили месяца на 2). Ну и вот ждем генераторы с Тольятти и хотим продолжения :) Надежда на катушеньки огромная! ) Спасибо Александру и Вам Михаил Павлович, Огромнейшее! )
Лёха: Михаил Павлович. я по поводу уплотнения под мышкай. вторые сутки продолжает ити гной катушки пока нет а тор ест можно применять толо тор. и ещё я вспомнил что вмолодости мне делали там же вскритие и обнаружили пучёк волос,врач тогда очень удивился. так вот я думаю если этот пучёк там опят обявился он сам от туда не вылезит.уплотнение длиной 4см ширина 0,5см а отверстие через которую сочится гной с копейку.как вы думаете есть возможность что волосы сами выдут вмести с гноем.заранние спасибо за ответ
Далее архив за апрель